Toyota Hilux VII поколения производилась в период с 2004 по 2015 год, включая модели 2004, 2005, 2006, 2007, 2008, 2009, 2010, 2011, 2012, 2013, 2014 и 2015 годов, под кодами AN10, AN20, AN30. За эти годы автомобиль подвергся обновлениям и рестайлингу. В этой статье подробно разберём расположение электронных блоков управления, функции предохранителей и реле для Toyota Hilux 7 поколения, с фото, схемами блоков предохранителей и реле. Особое внимание уделим предохранителю прикуривателя и розеток, а также ключевым словам вроде «предохранители Toyota Hilux», «схемы блоков Hilux 7», «расположение реле Toyota Hilux».

В зависимости от региона комплектации и конкретного года выпуска, конфигурация блоков предохранителей и реле, а также их размещение могут отличаться. Рекомендуем проверять данные по схемам на крышке вашего блока предохранителей Toyota Hilux.
Блоки в салоне
Расположение
Общая схема расположения блоков предохранителей и реле в салоне
Левый руль

Правый руль

Описание компонентов
- Усилитель кондиционера
Усилитель вязкостного подогревателя (в моделях без кондиционера) - Блок предохранителей / Интегрированное реле Toyota Hilux
- Усилитель транспондера ключа
- Блок управления полным приводом (с блокировкой заднего дифференциала)
- LHD: Реле габаритного света (август 2006 — июнь 2011)
- LHD: Реле дневных ходовых огней
- Реле указателей поворота
- Реле муфты кондиционера
- LHD: Реле габаритного света (до августа 2006)
LHD: Реле заднего противотуманного света (с августа 2006) - Распределительный коннектор
- LHD: Реле габаритного света (с июня 2011)
- Реле вспомогательного отопителя (PTC No.2)
- Реле вспомогательного отопителя (PTC No.1)
- Блок управления двигателем
- Ресивер центрального замка
- Блок управления противоугонной системой
- Блок управления полным приводом
- Блок реле (с июня 2011)
- Блок реле (до июня 2011)
- Блок управления турбинами (Turbo Motor Driver)
- Блок управления коробкой передач
- Блок управления блокировкой селектора коробки передач
- Блок управления кондиционером
- Блок управления подушками безопасности
- RHD: Реле габаритного света
- RHD: Реле заднего противотуманного света
Блок предохранителей в салоне
Этот блок расположен под приборной панелью со стороны водителя, за защитной крышкой, и отвечает за ключевые электрические цепи Toyota Hilux 7 поколения.

Левый руль

Правый руль

Пример схемы с крышки блока предохранителей

Схема блока предохранителей в салоне Toyota Hilux 7

Расшифровка предохранителей
| 1 | 15A INJ — Система многоточечного впрыска топлива/ система последовательного многоточечного впрыска топлива |
| 2 | 7,5A OBD — Система бортовой диагностики |
| 3 | 10A STOP — Стоп-сигналы, дополнительный стоп-сигнал, система распределенного впрыска топлива /система последовательного распределенного впрыска топлива, ABS, TRC, VSC и система управления блокировкой переключения передач |
| 4 | 10A TAIL — Освещение панели приборов, противотуманные фары, система управления наклоном света фар, передние габаритные фонари, задние габаритные фонари, фонари освещения номерного знака, система распределенного впрыска топлива/ система последовательного распределенного впрыска топлива, многофункциональный дисплей, система дневного света и система автоматического управления фарами |
| 5 | 15A PWR OUT — Электрическая розетка |
| 6 | 7,5A ST — Система запуска, приборы и указатели, система распределенного впрыска топлива/ система последовательного распределенного впрыска топлива |
| 7 | 10A A/C — Система кондиционирования воздуха |
| 8 | 7,5A MET — Приборы и указатели и система DPF |
| 9 | 15A CIG — Прикуриватель |
| 10 | 7,5A ACC — Аудиосистема, электрическая розетка, часы, система электропривода зеркал заднего вида, система управления блокировкой переключения передач и многофункциональный дисплей |
| 11 | 7,5A IGN — Система распределенного впрыска топлива/ система последовательного распределенного впрыска топлива, подушки безопасности SRS и топливный насос |
| 12 | 20A WIP — Стеклоочиститель и стеклоомыватель ветрового стекла |
| 13 | 10A ECU-IG & GAUGE — Система кондиционирования воздуха, система зарядки, система блокировки заднего дифференциала, ABS, TRC, VSC, аварийная световая сигнализация, указатели поворота, фонари заднего хода, система распределенного впрыска топлива/ система последовательного распределенного впрыска топлива, система управления блокировкой переключения передач, обогрев заднего стекла, фары, переключатели подсветки дверей, система электропривода дверных замков, система беспроводного дистанционного управления, датчик рулевого управления, система дневного света, круиз-контроль, очистители фар, обогреватели сидений, обогрев наружных зеркал заднего вида, многофункциональный дисплей и индикатор напоминания о ремне безопасности переднего пассажира |
Предохранители №9 (15A CIG) и №5 (15A PWR OUT) обеспечивают питание прикуривателя и электрических розеток в Toyota Hilux 7 поколения.
На обратной стороне блока предохранителей могут быть установлены дополнительные компоненты, такие как реле и коннекторы.
Схема обратной стороны блока

Расшифровка элементов
- 1 40А AM1 — Система блокировки заднего дифференциала, ABS, TRC, VSC, предохранители: «ACC», «CIG», «ECU-IG & GAUGE», «WIP»
- 2 40А IG1 — Предохранители: «PWR», «S-HTR», «4WD», «DOOR», «DEF», «MIR HTR»
- R1 — Розетки (PWR OUT)
- R2 — Отопитель (HTR)
- R3 — Интегрированное реле
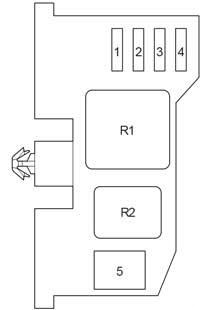
Блок реле в салоне
Блок реле размещён за бардачком и фиксируется на кузове автомобиля для обеспечения работы дополнительных систем Toyota Hilux.
Левый руль

Правый руль

Вариант 1 блока реле
Схема

Функции предохранителей и реле
| 1 | 25A DOOR — Система электропривода дверных замков и окна с электрическими стекло подъемниками |
| 2 | 20A DEF — Обогрев заднего стекла и система распределенного впрыска топлива/ система последовательного распределенного впрыска топлива |
| 3 | 15A S-HTR — Обогреватели сидений |
| 4 | 20A 4WD — Система блокировки заднего дифференциала, ABS, TRC и VSC |
| 5 | 30A PWR — Стекло подъемники |
| Реле | |
| R1 | Зажигание (IG1) |
| R2 | Обогрев заднего стекла (DEF) |
Вариант 2 блока реле
Схема

Расшифровка
| 1 | 15А MIR HTR — До ноября 2011: Обогрев наружных зеркал заднего вида |
| 25А DOOR — ноября 2011: Система электропривода дверных замков и окна с электрическими стекло подъемникам | |
| 2 | 25А DOOR — До ноября 2011: Система электропривода дверных замков и окна с электрическими стеклоподъемникам |
| 20А DEF — С ноября 2011: Обогрев заднего стекла и система распределенного впрыска топлива/ система последовательного распределенного впрыска топлива | |
| 3 | 20А DEF — До ноября 2011: Обогрев заднего стекла и система распределенного впрыска топлива/ система последовательного распределенного впрыска топлива |
| 15А S-HTR — С ноября 2011: Обогреватели сидений | |
| 4 | 15А S-HTR — До ноября 2011: Обогреватели сидений |
| 20А 4WD — С ноября 2011: Система блокировки заднего дифференциала, ABS, TRC и VSC | |
| 5 | 20А 4WD — До ноября 2011: Система блокировки заднего дифференциала, ABS, TRC и VSC |
| 15А MIR HTR — С ноября 2011: Обогрев наружных зеркал заднего вида | |
| R1 | Обогрев наружных зеркал заднего вида (MIR HTR) |
| R2 | Зажигание (IG1) |
| R3 | Обогрев заднего стекла (DEF) |
Блоки в моторном отсеке
Расположение
Общая схема расположения блоков предохранителей и реле в моторном отсеке
Левый руль

Правый руль

Описание
- Блок предохранителей и реле
- Актуатор тормозной системы
- Реле очистителей фар
- Блок управления свечами накала
- 2TR-FE: Блок управления подачей воздуха
RHD:
1KD-FTV и 2KD-FTV (без DPF): Блок управления форсунками (EDU)
LHD:
1KD-FTV и 2KD-FTV (DPF): Блок управления форсунками (EDU) - RHD:
1KD-FTV и 2KD-FTV (DPF): Блок управления форсунками (EDU)
LHD:
1KD-FTV и 2KD-FTV (без DPF): Блок управления форсунками (EDU)
Блок предохранителей и реле в моторном отсеке
Расположен слева в моторном отсеке, вблизи аккумулятора, и управляет основными системами питания и освещения Toyota Hilux 7.

Схема с крышки блока

Общая схема блока под капотом

Секция А

Назначение предохранителей и реле
| 1 | 25A Запасной предохранитель |
| 2 | 15A Запасной предохранитель |
| 3 | 10A Запасной предохранитель |
| 4 | 7,5A FOG — Противотуманные фары |
| 15A 7,5A FOG — Противотуманные фары | |
| 5 | 10A HORN — Звуковой сигнал |
| 6 | 25A EFI — Система многоточечного впрыска топлива /система последовательного многоточечного впрыска топлива |
| 7 | — |
| 8 | 20A H-LP RL — До июня 2011: Правая фара (ближний свет) |
| 15A H-LP RL — С июня 2011: Правая фара (ближний свет) | |
| 9 | 20A H-LP LL — До июня 2011: Левая фара (ближний свет) |
| 15A H-LP LL — С июня 2011: Левая фара (ближний свет) | |
| 10 | 20A H-LP RH — До июня 2011: Правая фара (дальний свет) и правая фара (ближний свет) |
| 15A H-LP RH — С июня 2011: Правая фара (дальний свет) и правая фара (ближний свет) | |
| 11 | 20A H-LP LH — До июня 2011: Левая фара (дальний свет) и левая фара (ближний свет) |
| 15A H-LP LH — С июня 2011: Левая фара (дальний свет) и левая фара (ближний свет) | |
| 12 | 10A EFI NO.2 — Система многоточечного впрыска топлива/ система последовательного многоточечного впрыска топлива |
| 13 | 10A ECU-IG NO.2 — Система многоточечного впрыска топлива/ система последовательного многоточечного впрыска топлива |
| 14 | 7,5A ECU-B — До августа 2008: Переключатели подсветки дверей, система электропривода дверных замков, система беспроводного дистанционного управления, датчик рулевого управления и фары |
| 10A ECU-B — С августа 2008: Переключатели подсветки дверей, система электропривода дверных замков, система беспроводного дистанционного управления, датчик рулевого управления и фары | |
| 15 | 15A RAD — До августа 2013: Аудиосистема |
| 20A RAD — С августа 2013: Аудиосистема | |
| 16 | 7,5A DOME — Освещение салона, подсветка переключателя двигателя, фонарь персонального освещения, приборы и указатели, часы, многофункциональный дисплей, система беспроводного дистанционного управления, система дневного света и противотуманные фары/задние противотуманные фонари |
| 17 | 20A A/F — Система снижения токсичности выхлопных газов |
| 18 | 10A ETCS — Система многоточечного впрыска топлива/ система последовательного многоточечного впрыска топлива, электронная система управления дроссельной заслонкой |
| 19 | 7,5A ALT-S — Система зарядки |
| 20 | 15A TURN-HAZ — Аварийная световая сигнализация и указатели поворота |
| 21 | — |
| 22 | 7,5A ECU-B NO.2 — Система кондиционирования воздуха |
| 23 | 30A DCC — Предохранители: «ECU-B», «DOME», «RAD» |
| 24 | 50A PTC NO.1 — Дополнительный отопитель |
| 25 | 30A H-LP CLN — До июня 2011: Очистители фар |
| 30A PWR SEAT — Сиденье с электроприводом | |
| 26 | 50A PTC NO.2 — Дополнительный отопитель |
| 30А PTC NO.2 — Дополнительный отопитель | |
| 27 | 40A ABS NO.1 — До августа 2008: ABS, TRC и VSC |
| 40A H-LP CLN — С июня 2011: Очистители фар | |
| 28 | 40A FR HTR — До августа 2009: Система кондиционирования воздуха, предохранитель: «A/C» |
| 50A FR HTR — С августа 2009: Система кондиционирования воздуха, предохранитель: «A/C» | |
| 29 | 30A ABS NO.2 — ABS, TRC and VSC |
| 30 | 40A ABS NO.1 — С августа 2008: ABS, TRC и VSC |
| 31 | 100A ALT — Система зарядки, предохранители: «PWR SEAT», «HLP CLN», «FR HTR», «AM1», «IG1», «PTC NO.1», «PTC NO.2», «PWR OUT», «STOP», «TAIL», «OBD» |
| 32 | 80A GLOW — Система предпускового подогрева двигателя |
| 33 | 50A BATT P/I — Предохранители: «FOG», «HORN», «EFI» |
| 34 | 30A AM2 — Стартер двигателя, предохранители: «ST», «IGN», «INJ», «MET» |
| 35 | 40A MAIN — Предохранители: «H-LP RH», «H-LP LH», «H-LP RL», «H-LP LL» |
| 36 | 50A A/PUMP — Система многоточечного впрыска топлива/ система последовательного многоточечного впрыска топлива |
| Реле | |
| R1 | Диммер (DIM) |
| R2 | Фары (H-LP) |
| Свечи (GLOW) | |
| A | |
| R1 | Стартер (ST) |
| R2 | 1TR-FE, 2TR-FE, 1GR-FE: Датчик состава топливовоздушной смеси (A/F) |
| 1KD-FTV без DPF, 2KD-FTV без DPF, 5L-E: Свечи накала (GLOW) | |
| 1KD-FTV с DPF, 2KD-FTV с DPF: Датчик состава топливовоздушной смеси (A/F) | |
| R3 | 1TR-FE, 2TR-FE, 1GR-FE: Топливный насос (F/PMP) |
| 1KD-FTV с DPF, 2KD-FTV с DPF: — | |
Если у вас есть дополнения по предохранителям или реле Toyota Hilux 7, поделитесь в комментариях.


