Миниатюрный внедорожник Suzuki Jimny, известный своей надежностью, выпускается с 1968 года с постоянными обновлениями и вариантами исполнения. В этой статье мы подробно разберем расположение и устройство блоков предохранителей и реле для Suzuki Jimny моделей 1998, 1999, 2000, 2001, 2002, 2003, 2004, 2005, 2006, 2007, 2008, 2009, 2010, 2011, 2012, 2013, 2014, 2015, 2016 и 2017 годов выпуска. Вы найдете фото блоков, их точное размещение, электрические схемы и замену предохранителей. Особое внимание уделим предохранителю, отвечающему за прикуриватель и диагностику электрики автомобиля.

Конструкция блоков предохранителей и функции их компонентов могут варьироваться в зависимости от года производства и комплектации вашего Suzuki Jimny. Для точной информации используйте схему, указанную на крышке блока.
Блок под капотом
В моделях Suzuki Jimny с бензиновыми моторами блок предохранителей размещен слева от аккумулятора. Для дизельных версий — справа от двигателя. Это ключевой узел для ремонта электрики, включая предохранители фар и АБС.

Вариант 1


Схема

Описание
| 1 | 80А ВАТТ (аккумуляторная батарея, генератор) |
| 2 | 50А ABS (модуль АБС) |
| 3 | 60А IG (замок зажигания) |
| 4 | 30А LAMP (освещение и пр. — цепь монтажного блока в салоне) |
| 5 | 30А LAMP (освещение и пр: — цепь монтажного блока в салоне) |
| 6 | 15А HEAD L (комбинация приборов, левая фара) |
| 7 | 15А HEAD R (правая фара) |
| 8 | 15А F1 (главное реле) |
| 9 | 15А А/С (реле и э/дв вентилятора конденсатора) |
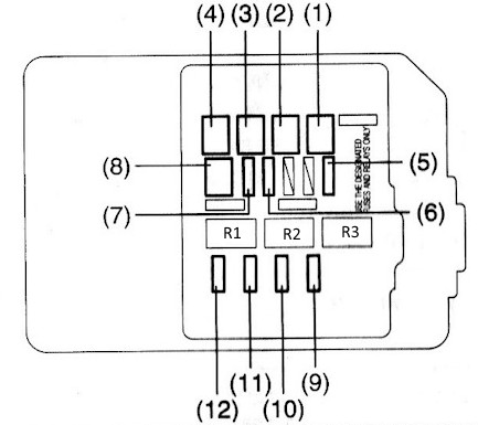
Вариант 2

Схема

Обозначения
| 1 | 50А Замок зажигания |
| 2 | 40А Мотор АБС |
| 3 | 40А Замок зажигания |
| 4 | 30А Саленоид АБС |
| 5 | 15А Сиситема управления двигателя |
| 6 | 15А Левая фара |
| 7 | 15А Правая фара |
| 8 | 50А Блок предохранителей в салоне |
| 9 | 15А Передние противотуманные фары |
| 10 | 20А Вентилятор |
| 11 | 30А Странтер |
| 12 | 20А Кондиционер |
- R1 — Реле топливного насоса
- R2 — Реле электродвигателя вентилятора конденсатора кондиционера
- R3 — Реле системы управления двигателем
Вариант 3

Схема

Назначение
| 1 | Реле электромагнитной муфты компрессора кондиционера |
| 2 | |
| 3 | |
| 4 | Реле нагревателя охлаждающей жидкости |
| 5 | |
| 6 | Реле системы управления двигателем |
| F1 | (80A) Генератор |
| F2 | (30A) Электродвигатель вентилятора системы охлаждения |
| F3 | (50A) Система ABS |
| F4 | (60A) |
| F5 | (60A) Цепи замка зажигания |
| F6 | (15A) Левая фара |
| F7 | (15A) Правая фара |
| F8 | (20A) Электродвигатель вентилятора отопителя |
| F9 | (30A) Стартер |
| F10 | (30A) Электронный блок управления двигателем |
| F11 | (15A) Электромагнитная муфта компрессора кондиционера |
Блок в салоне
Этот блок предохранителей Suzuki Jimny установлен под приборной панелью со стороны водителя, удобен для самостоятельной проверки электрических цепей салона, включая освещение и мультимедиа.

Вариант 1

Фото — пример

Схема

Расшифровка
| F1 | 10A Электродвигатель вентилятора отопителя |
| F2 | 15A/20A Обогреватель заднего стекла |
| F3 | 15A Очиститель, омыватель стекла |
| F4 | 15A Подогреватель сидений |
| F5 | 15A Предохранитель прикуривателя |
| F6 | 15A Обогреватель лобового стекла |
| F7 | 15A Аварийная сигнализация |
| F8 | 15A Радио |
| F9 | 10A Задний противотуманный фонарь(и) |
| F10 | 10A Иммобилайзер |
| F11 | 10A Стартер |
| F12 | 30A Электропривод стеклоподъемников |
| F13 | 15A Система управления двигателем |
| F14 | 20A Система управления 4WD |
| F15 | 10A Фонарь(и) заднего хода |
| F16 | 15A Система SRS |
| F17 | 10A Панель приборов |
| F18 | 10A Система ABS |
| F19 | 10A Электронный блок управления КПП |
| F20 | 10A Задние габариты |
| F21 | 15A Стоп-сигналы |
| F22 | 15A Центральный замок |
Предохранитель прикуривателя в Suzuki Jimny — это номер 5 с номиналом 15А, часто используемый для ремонта розетки и подключения гаджетов.
Вариант 2

Схема

Полное обозначение на схемах
| A/C | кондиционер |
| ABS | АБС |
| ALT | генератор |
| ALT-S | генератор |
| AM | переключатель двигателя |
| DEF | обогреватель окон |
| DOME | освещение салона |
| DOOR | дверь |
| ECU | контрольный (управляющий ) модуль двигателя |
| EDU | контроль впрыска |
| EFI | система электронного контроля впрыска |
| ENG MAIN | главный двигателя |
| FAN | вентилятор |
| FOG | противотуманные фары |
| Fr | передний |
| F-TAIL | задние фонари |
| GAUGE | приборная доска, спидометр |
| HAZARD | аварийные сигналы |
| HAZ-TRN | аварийная сигнализация — повороты |
| HEAD | передние фары |
| HEAD LH | передние фары левые |
| HEAD RH | передние фары правые |
| HORN | звуковой сигнал |
| HTR | обогреватель |
| I/UP | холостой ход |
| IG | зажигание |
| IGN | зажигание |
| MAIN | главный |
| P/W | стеклоподъемник |
| POWER | питание |
| PWR | питание |
| RAD | радио |
| Rr | задний |
| SIG | прикуриватель |
| SPARE | запасной |
| ST | стартер |
| STOP | стоп-сигнал |
| TAIL | задние фонари |
| TURN | поворотники |
| WASH | стеклоомыватель |
| WIP | стеклоочиститель |
| WIPER | стеклоочиститель |
Есть чем дополнить материал по предохранителям и схемам Suzuki Jimny? Пишите в комментарии.


