Opel Combo D — это третье поколение популярной модели Комбо, производившееся в период с 2011 по 2017 год (включая 2011, 2012, 2013, 2014, 2015, 2016, 2017 годы выпуска). За эти годы автомобиль претерпел рестайлинг и обновления. В этой статье вы найдете подробное руководство по предохранителям и реле Опель Комбо D, включая схемы блоков, их точное расположение, фотоиллюстрации и примеры. Особо отметим предохранитель для прикуривателя в Opel Combo D 2011-2017, чтобы облегчить диагностику и замену.

Функции предохранителей в блоках, их номиналы и количество могут варьироваться в зависимости от года выпуска Opel Combo D, комплектации электрики и рынка сбыта вашего транспортного средства.
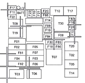
Блок в салоне
В интерьере Opel Combo D главный блок предохранителей и реле размещен в нижней зоне торпедо, за съемной защитной панелью. Это удобное место для быстрого доступа к электрике салона, включая защиту прикуривателя.

Чтобы добраться до блока, снимите крышку. Поблизости расположен OBD-разъем для диагностики автомобиля.
Фото пример

Схема

Описание
| F12 | 7,5A Ближний свет правой фары |
| F13 | 7,5A Левый ближний свет/ Регулировка угла наклона фар |
| F31 | 5A Реле блока предохранителей/ Реле блока управления кузовным оборудованием |
| F32 | 7,5A Лампы освещения салона |
| F36 | (10A) Питание + аккумуляторная батарея для розетки диагностики EOBD, блок управления климат-контролем, аварийная сигнализация, авторадио, блок управления Blue&MeTM, блок управления системы контроля давления в шинах |
| F37 | 5A Панель приборов/Тормозная система |
| F38 | 20A Центральный замок |
| F41 | – |
| F43 | 15A Электронасос омывателей стеклоочистителей заднего стекла |
| F45 | – |
| F46 | – |
| F47 | 20A Привод стеклоподъемников на передней двери со стороны водителя |
| F48 | 20A Привод стеклоподъемников на передней двери со стороны пассажира |
| F49 | 5A Многофункциональный блок управления |
| F50 | 7,5A Система SRS |
| F51 | 7,5A Питание в салоне для выключателя на педали тормоза, на педали сцепления, группы обогревателя салона, блок управления Blue&MeTM, системы разводки для магнитолы |
| F53 | 5A Комбинация приборов |
| F90 | 20A Электропривод стеклоподъёмников |
| F91 | – |
| F92 | – |
| F93 | 20A Электропривод стеклоподъёмников |
| F94 | 15A Разъемы питания дополнительного оборудования (задняя) |
| F95 | 15A Прикуриватель |
| F96 | 15A Разъемы питания дополнительного оборудования |
| F97 | 10A Подогреватель сидений |
| F98 | 10A Подогреватель сидений |
Предохранитель №95 номиналом 15A обеспечивает работу прикуривателя в Opel Combo D, что критично для зарядки гаджетов и диагностики.
Блок под капотом
В моторном отсеке Opel Combo D, слева от двигателя, установлен основной блок предохранителей и реле для систем подкапотного пространства, включая двигатель и климат-контроль.

Схема

Обозначение
| 2 | Реле дальнего света фар |
| 3 | Реле звукового сигнала |
| 5 | Реле электромагнитной муфты компрессора кондиционера |
| 6 | |
| 7 | |
| 8 | Реле вспомогательных цепей зажигания |
| 9 | Реле системы управления двигателем |
| 10 | Реле топливного насоса |
| 14 | Реле противотуманных фар |
| 17 | |
| 19 | Реле обогревателя заднего стекла |
| 20 | |
| 30 | |
| F1 | 60A Электродвигатель очистителя лобового стекла |
| F2 | 20A/30A Электропривод стеклоподъемников |
| F3 | 20A Замок зажигания |
| F4 | 40A Система ABS/ESP |
| F5 | 30A/50A |
| F6 | 30A Электродвигатель вентилятора системы охлаждения |
| F7 | 40A/60A Электродвигатель вентилятора системы охлаждения |
| F8 | 40A Кондиционер / отопитель |
| F9 | 10A Центральный замок |
| F10 | 10A Звуковой сигнал |
| F11 | 10A Управление двигателем |
| F14 | 15A Дальний свет фар |
| F15 | 30A Дополнительный отопитель |
| F16 | Управление двигателем |
| F17 | 10A Управление двигателем |
| F18 | Управление двигателем |
| F19 | 7,5A Компрессор кондиционера |
| F20 | 30A Обогреватель заднего стекла |
| F21 | 15AТопливный насос |
| F22 | 10A/20A Управление двигателем |
| F23 | 20A Система ABS/ESP |
| F24 | 5A Система ABS/ESP |
| F30 | 15A Противотуманные фары |
| F81 | 30A/60A Блок управления предварительного обогрева свечей |
| F82 | 20A/50A Задний стеклоподъемник со стороны пассажира (версии Doblo/Doblo Combi с механической коробкой передач) |
| F83 | 30A Электронасос омывателей фар |
| F84 | 10A/15A |
| F85 | 30A Электрическая розетка салона, задняя электрическая розетка |
| F86 | 30A сиденья с обогревом |
| F87 | 5A/10A Датчик состояния заряда аккумуляторной батареи |
| F88 | 7,5A Электропривод зеркал |
Если у вас возникли вопросы по схемам предохранителей Opel Combo D или замене реле, оставляйте их в комментариях ниже.


