Lifan X60 выпускался в период с 2011 по 2015 год. После рестайлинга обновленная версия Lifan X60 FL производилась в 2016–2020 годах. В этой статье мы подробно разберем расположение и схемы блоков предохранителей и реле для Лифан Х60, включая фото примеры установки, с акцентом на предохранитель прикуривателя, чтобы помочь владельцам Lifan X60 самостоятельно диагностировать электрику.

Расположение, количество и функции предохранителей с реле в блоках могут варьироваться в зависимости от комплектации, года выпуска и региона поставки вашего Lifan X60.
Блок в салоне
Блок предохранителей и реле
Блок предохранителей и реле в интерьере Lifan X60 размещен в нижней секции приборной панели, за бардачком. Чтобы получить доступ, достаточно сдавить бардачок по бокам и выдвинуть его.

Схема

Описание
| F1 | 15A Подушки безопасности SRS Airbag |
| F2 | 25A Стеклоочиститель (дворники) и Омыватель передний / дневные ходовые огни |
| F3 | 5A Иммобилайзер (блок управления сигнализацией) |
| F4 | 15A Прикуриватель |
| F5 | 7,5A Зеркало заднего вида |
| F6 | 5A Магнитола (мультимедийная система CD/DVD) |
| F7 | 10A Плафоны и лампы внутри салона (салонное освещение) |
| F8 | 20A Стеклоочиститель (дворник) задний |
| F9 | 15A Указатели поворотов (поворотники) |
| F10 | 10A Стоп — сигналы |
| F11 | 15A Дополнительный источник питания |
| F12 | 30A Стеклоподъемники |
| F13 | 15A Магнитола (многофункциональный дисплей мультимедийной системы) |
| F14 | 10A Набор / комбинация приборов |
| F15 | 10A Иммобилайзер (блок управления сигнализацией) |
| F16 | 15A Обогрев / подогрев сидения пассажира |
| F17 | 5A Блок «Комфорта» BCM |
| F18 | 20A Люк в крыше (электропривод) |
| F19 | 10A Обогрев боковых зеркал заднего вида |
| F20 | 25A Обогрев / подогрев заднего стекла |
| F21 | 20A Центральный замок |
| F22 | 10A Задние противотуманные фонари |
| F23 | 10A Огни заднего хода |
| F24 | 10A Многофункциональный дисплей, набор / комбинация приборов, люк в крыше |
| F25 | 15A Обогрев / подогрев передних сидений; |
| F26 | 15A Кондиционер A/C |
| F27 | 40A Электропитание АМ2 |
| F28 | 40A Электропитание АМ1 |
| F29 | 30A Вентилятор печки (отопителя) |
| F30 | Запасной (резервный) |
| F31 | Запасной (резервный) |
| F32 | Запасной (резервный) |
| F33 | Запасной (резервный) |
| F34 | Запасной (резервный) |
| F35 | Запасной (резервный) |
| Реле | |
| К1 | Реле задних противотуманных фонарей |
| К2 | Реле обогрева / подогрева заднего стекла |
| К3 | Реле вентилятор печки (отопителя) |
| К4 | На авто с CVT: Реле Стоп-сигналов |
Предохранитель прикуривателя в Lifan X60 — это F4 с номиналом 15A, ответственный за работу розетки.
Блок под капотом
Блок предохранителей и реле
В моторном отсеке Lifan X60 основной блок предохранителей и реле расположен слева, между опорой стойки и корпусом воздушного фильтра, обеспечивая защиту ключевых систем двигателя.

Фото — пример

Схема

Обозначение
| F1 | 10А ЭБУ — блок управления двигателем |
| F2 | 25А Электропитание IG2 |
| F3 | 10А Х60: Генератор, катушки зажигания (IG2); |
| Х60 FL: Тормозная система ABS (АБС); | |
| F4 | 5А Х60: Пусто; Х60 FL: Передний датчик кислорода |
| F5 | 15А Х60: Пусто; |
| Х60 FL: Катушки зажигания | |
| F6 | 15А Х60: Пусто; |
| Х60 FL: Инжектор / Вентилятор охлаждения двигателя (радиатора) | |
| F7 | 15А На авто с CVT: ЭБУ трансмиссии CVT |
| F8 | 5А Х60: Пусто; |
| 5А Х60 FL: Задний датчик кислорода | |
| F9 | 15А Габаритные огни / подсветка внутри салона |
| F10 | 15А Сигнал (гудок, клаксон) |
| F11 | 15А Передние противотуманные фары (передние птф) |
| F12 | 15А Дальний свет фар |
| F13 | 15А Ближний свет фар |
| F14 | 25А На Главное реле; |
| F15 | 5А Вентилятор |
| F16 | 10А Компрессор кондиционера |
| F17 | 15А Бензонасос (топливный насос) |
| F18 | 10А Задний противотуманный фонарь; |
| F19 | 25А На Главное реле |
| F20 | Вентилятор высокой скорости радиатора (основной) |
| F21 | Вентилятор малой (низкой) скорости радиатора (дополнительный) |
| F22 | Запасной (резервный) |
| F23 | Запасной (резервный) |
| F24 | Запасной (резервный) |
| F25 | Запасной (резервный) |
| F26 | Запасной (резервный) |
| F27 | Запасной (резервный) |
| F28 | Запасной (резервный) |
| F29 | Запасной (резервный) |
| Реле | |
| К1 | Реле регулировки скорости вентилятора |
| К2 | Х60: Реле главного вентилятора; |
| Х60 FL: Реле малой (низкой) скорости вентиляторов | |
| К3 | Х60: Реле дополнительного вентилятора; |
| Х60 FL: Реле высокой скорости вентиляторов | |
| К4 | Реле электромагнитной муфты компрессора кондиционера |
| К5 | Реле бензонасоса (топливного насоса) |
| К6 | Реле сигнала (гудка, клаксона) |
| К7 | Реле габаритных огней/ подсветки внутри салона |
| К8 | Реле передних противотуманных фар / дневных ходовых огней (дхо) |
| К9 | Реле кратковременного включения дальнего света фар |
| К10 | Реле дальнего света фар |
| К11 | Главное реле |
| К12 | Реле ближнего света фар |
| К13 | Реле стартера |
| К14 | Реле ламп заднего хода |
| К15 | Реле разблокировки селектора коробки передач |
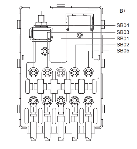
Блок силовых предохранителей
Блок силовых предохранителей в Lifan X60 установлен вблизи аккумуляторной батареи и включает высокомощные плавкие предохранители для защиты основных цепей.

Схема

Назначение
| SB01 | 60А Питание на монтажный блок с предохранителями и реле под капотом |
| SB02 | 80А Питание на монтажный блок с предохранителями и реле под капотом |
| SB03 | 30А Электронный блок управления АБС (ABS ECU) |
| SB04 | 40А Электронный блок управления АБС (ABS ECU) |
| SB05 | 110А Питание на монтажный блок с предохранителями и реле в салоне |
Если у вас есть идеи по улучшению статьи о предохранителях Lifan X60, делитесь в комментариях.


