Nissan Primera — популярный автомобиль, выпускавшийся в трех поколениях с вариантами кузова седан, универсал и лифтбек. Первое поколение (P10) производилось в период с 1990 по 1995 год. Второе поколение (P11) — с 1996 по 2000 год. Третье поколение (P12) — с 2001 по 2007 год. В этой статье мы подробно разберем расположение, фото, схемы и функции блоков предохранителей и реле для Nissan Primera P11 и P12 (второе и третье поколения), включая расшифровку элементов. Особое внимание уделим предохранителям прикуривателя, а также распиновке и замене предохранителей Nissan Primera.

P11
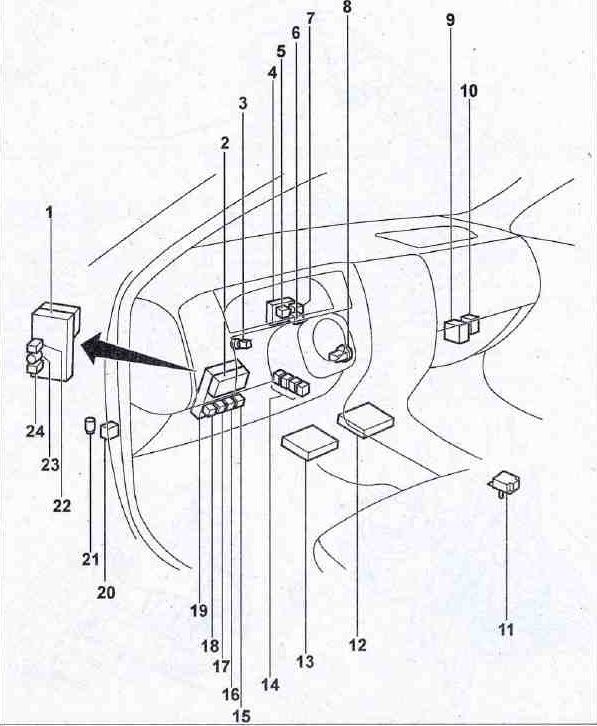
Блоки в салоне
Общая схема расположения электронных модулей, предохранителей и реле Nissan Primera P11

Расшифровка элементов
- блок предохранителей Nissan;
- реле-прерыватель указателей поворота;
- выключатель стоп-сигналов;
- приборная панель;
- реле акустической системы;
- реле омывателя фар;
- реле динамиков;
- иммобилайзер и противоугонная система;
- корректор уровня фар;
- реле габаритных огней;
- модуль управления подушками безопасности SRS;
- контроллер АКПП;
- ЭБУ двигателя;
- реле кондиционера;
- реле бензонасоса;
- реле противотуманок;
- реле электростеклоподъемников;
- реле заднего обогрева;
- крепление блока предохранителей;
- реле сигнализации;
- реле-прерыватель;
- реле зажигания;
- реле-прерыватель;
- реле вентилятора отопителя салона
Главный блок предохранителей в салоне
Вариант 1
Фотография блока предохранителей Nissan Primera P11.

Расположение и назначение (сверху вниз, слева направо)
Расположение предохранителей в блоке Nissan Primera P11.
- Вентилятор отопителя
- Кондиционер
- Приборная панель
- INJ (впрыск топлива)
- Электронные модули / освещение салона
- Вентилятор отопителя
- Поворотники
- Топливный насос
- Подушки безопасности
- Сенсор кислорода и холостого хода
- Сенсор скорости
- Обогрев заднего стекла (если установлен)
- Электроника приборки
- Прикуриватель
- ABS
- Стартер
- Задний дворник
- Противотуманные фары
- Электропривод зеркал
- Стоп-сигналы
- Очистители
- Дополнительная розетка
- Аудиосистема
- Управление АКПП
- Аварийка
Предохранитель прикуривателя — третий сверху в среднем ряду, номинал 15А. Полезно для диагностики и замены предохранителей Nissan Primera P11.
Схема в табличном формате

Вариант 2 блока предохранителей
Изображение блока

Схема с расшифровкой

Предохранитель прикуривателя — второй в верхнем ряду, 15А (обведен красным на схеме). Информация полезна для ремонта и диагностики электрики Nissan Primera P11.
Блоки под капотом
Расположение компонентов

Назначение элементов
- блок предохранителей моторного отсека;
- блок ABS;
- блок реле;
- мотор стеклоочистителя;
- реле подогрева дизеля (для дизельных моделей);
- реле левой фары;
- реле горна;
- реле радиаторного вентилятора;
- реле ЭБУ двигателя;
- реле вспомогательных систем;
- реле первого вентилятора радиатора;
- реле второго вентилятора радиатора;
- реле нейтрали;
- реле кондиционера;
- реле заднего стеклоочистителя;
- реле правой фары;
- реле лобового стеклоочистителя
Пример блока реле под капотом Nissan Primera P11.

Конфигурация и функции элементов могут варьироваться в зависимости от модификации. Точная расшифровка указана на крышке блока для удобства ремонта предохранителей и реле P11.
Монтажный блок предохранителей под капотом
Вариант 1
Фото и схема

Расшифровка

Вариант 2
Фото и схема

Расшифровка обозначений на английском с переводом
- hazard — аварийная сигнализация
- horn — звуковой сигнал
- alt s — возбуждение генератора
- tail — габаритные огни
- abs sol — соленоиды ABS
- ign sw — замок зажигания
- abs mtr — мотор ABS
- battery — аккумулятор
- h/lamp rh — правая фара
- h/lamp lh — левая фара
- audio — аудиосистема
- eng cont — ЭБУ двигателя
- ign coil — катушка зажигания
- throt motor — дроссельный привод
- inj — инжекторная система
- hid rh — правый ксенон
- hid lh — левый ксенон
- rr defog — задний обогрев
- rad fan 1,2,3 — вентиляторы радиатора
- main — основной предохранитель
- power window — электростеклоподъемники
P12
Блоки в салоне
Схема расположения

Главный блок предохранителей
Расположен за панелью приборов под защитной крышкой, где на обратной стороне указана актуальная схема и распиновка предохранителей Nissan Primera P12 для самостоятельного ремонта.

Фото и схема блока

Назначение предохранителей
| 1 — 10А | Аудиосистема |
| 2 — 10А | Круиз-контроль |
| 3 — 10А | Электропривод багажника |
| 4 — 20А | Розетка в багажнике |
| 5 — 15А | Стоп-сигналы |
| 6 — 10А | Противотуманные фонари |
| 7 — 20А | Обогрев заднего стекла (двери) |
| 8 — 10А | Обогрев передних сидений |
| 9 — 10А | Круиз-контроль |
| 10 — 10А | Электроника |
| 11 — 10А | АКПП контроль |
| 12 — 10А | Электроника |
| 13 — 10А | Освещение салона |
| 14 — 15А | Воздушный нагнетатель |
| 15 — 10А | Кондиционер |
| 16 — 15А | Воздушный нагнетатель |
| 17 — 10А | ЭБУ двигателя |
| 18 — 10А | SRS система |
| 19 | Резерв |
| 20 — 10А | ЭБУ двигателя |
| 21 — 10А | Реле стартера |
| 22 — 15А | Прикуриватель |
| 23 — 10А | Зеркала |
| 24 — 15А | Розетка консоли |
| 25 — 20А | Очиститель лобового стекла |
| 26 — 15А | Омыватели стекол |
| 27 — 10А | Датчики |
| 28 — 10А | Задний очиститель |
| 29 — 15А | Топливный насос |
| 30 — 10А | Приборы |
| 31 — 10А | ABS |
Предохранитель прикуривателя — №22, 15А. Это ключевой элемент для электрики Nissan Primera P12.
Реле на передней стороне блока

Расшифровка
- реле заднего обогрева;
- реле дроссельной заслонки;
- реле противотуманок;
- реле стеклоподъемников;
- реле-прерыватель;
- реле-прерыватель.
Реле на задней стороне блока

Назначение
- реле зажигания;
- реле доп. оборудования;
- реле вентилятора HVAC
Блоки под капотом
Общая схема

Монтажный блок предохранителей
Фото и схема

Расшифровка
| 1 — 120A | Главный предохранитель 1 |
| 2 — 80А | Потребители зажигания |
| 3 — 50А | Мотор ABS насоса |
| 4 — 40А | Замок зажигания |
| 5 — 30А | Клапаны ABS |
| 6 | Резерв |
| 7 | Резерв |
| 8 — 10А | Габариты |
| 9 — 15А | Аудио |
| 10 — 10А | ЭБУ двигателя |
| 11 — 15А | Гудок |
| 12 | Резерв |
| 13 | Резерв |
| 14 — 15А | Ближний свет левая |
| 15 — 15А | Ближний свет правая |
| 16 — 15А | Дроссельный привод |
| 17 — 15А | Дальний свет левая |
| 18 — 15А | Дальний свет правая |
| 19 — 15А | Противотуманки |
| 20 — 20А | Катушки зажигания |
| 21 — 80А | Главный предохранитель 2 |
| 22 | Резерв |
| 23 — 30А | Омыватели фар |
| 24 — 40А | Вентилятор радиатора 2 |
| 25 — 40А | Вентилятор радиатора 1 |
| 26 — 40А | Стеклоподъемники |
Блок реле
Вариант 1

Назначение
- реле противотуманных фар;
- реле вентиляторов;
- реле доп. оборудования;
- реле вентиляторов;
- реле компрессора А/С;
- реле вентиляторов;
- реле P/N АКПП/вариатора;
- реле ДХО;
- реле горна;
- реле вентиляторов.
Вариант 2



