Toyota Ipsum 2-го поколения выпускалась с 2001 по 2009 год в вариантах кузовов ACM21W и ACM26W. За период производства автомобиль прошел обновление дизайна и технических характеристик. В ряде рынков модель предлагалась под именами Toyota Avensis Verso и Toyota Picnic. Здесь вы получите подробное руководство по расположению электронных блоков управления, предохранителям и реле Toyota Ipsum (Picnic) второго поколения, с иллюстрациями схем и реальными фото. Особо отметим предохранитель для прикуривателя и розетки.

Всегда проверяйте функции элементов по схемам на крышках блоков. Возможны различия между описанным материалом и вашей конфигурацией автомобиля.
Блоки в салоне
Расположение
Общая диаграмма размещения блоков в интерьере
Версия с левым рулем

Версия с правым рулем

Подробное описание
- Блок предохранителей
- ЭБУ кузова
- Реле Power-Point
- Реле указателя поворота
- Реле размыкания цепи (топливный насос)
- LHD: TVSS ECU
- Радио и плеер с дисплеем
- Компьютер с транспондерным ключом
- Реле заднего обогревателя (HI)
- Реле заднего обогревателя
- LHD: усилитель кондиционера (ручной кондиционер)
- ЭБУ телевизионной камеры (с навигационной системой)
- Соединительный блок
- Реле передних противотуманных фар
- ЭБУ двигателя и ECT (A / T)
ЭБУ двигателя (M / T) - LHD: Реле вентилятора (M2)
- LHD: Реле вентилятора (M1)
- Блок управления кондиционером (автоматический кондиционер)
- Антенный усилитель
или
RHD (до 10.2003): реле вентилятора (M2) / реле вентилятора (M1) / реле вентилятора (HI) - Блок датчика подушки безопасности
- Усилитель транспондерного ключа
- LHD: Усилитель нагревателя PTC (1AZ-FE)
- LHD: реле вентилятора (HI)
- RHD: Реле фонарей заднего хода
- RHD: ЭБУ системы защиты от кражи
- RHD: ЭБУ двойного дверного замка
Блок предохранителей
Размещен под приборной панелью за защитной крышкой для удобства доступа.

Пример схемы на крышке блока предохранителей

Диаграмма предохранителей

Функции предохранителей
| 1 | 10A IGN — Система подушек безопасности SRS, датчик и счетчики, система запуска, система распределенного впрыска топлива / система последовательного распределенного впрыска топлива, электрический вентилятор системы охлаждения, система кондиционирования воздуха, ABS, VSC, реле «FUEL HTR», реле «IG2» |
| 2 | 25A DOOR NO.2 — Avensis Verso, Picnic: система блокировки дверей с электроприводом |
| 30A PWR SEAT — Ipsum: Сиденье с электроприводом | |
| 3 | 10A RR HTR — Задний обогреватель |
| 4 | 15A FR FOG — Передняя противотуманная фара |
| 5 | 25A AM1 — Система запуска |
| 6 | 7,5A PANEL — Подсветка комбинации приборов, подсветка приборной панели, коробка передач с электронным управлением, аудиосистема, очиститель фар, передняя противотуманная фара, система помощи при парковке TOYOTA, часы, система кондиционирования воздуха, напоминание о ключах и световое напоминание |
| 7 | 10A SRS-IG / AIRBAG-IG — Система подушек безопасности SRS |
| 8 | 10A SEAT HTR — Avensis Verso, Picnic: Обогрев сидений |
| 10A TEMS — Ipsum: подвеска TOYOTA с электронной модуляцией | |
| 9 | 15A C/LTR / CIG — Прикуриватель |
| 10 | 10A HTR / HEATER — Система кондиционирования воздуха, система зарядки, система распределенного впрыска топлива / система последовательного распределенного впрыска топлива, ABS, VSC, напоминание о ключах и световое напоминание, предупреждение о не пристегнутом ремне безопасности, система помощи при парковке TOYOTA, комбинация приборов, обогреватель заднего лобового стекла |
| 11 | Обогреватели наружных зеркал заднего вида |
| 12 | 7,5A ECU-ACC — Система блокировки дверей с электроприводом, электрические вентиляторы охлаждения, электрические стеклоподъемники, аудиосистема, противотуманные фары, внутреннее освещение, задние фонари, габаритные огни, фары |
| 13 | 30A PWR — Электрические стеклоподъемники, сдвижная крыша |
| 14 | 10A TAIL — Задние фонари, габаритные огни, освещение номерного знака, фонарь багажника, передний противотуманный фонарь, задний противотуманный фонарь, комбинация приборов |
| 15 | 15A PWR OUTLET — Розетка |
| 16 | 30A FR P/W — Электрические стеклоподъемники, сдвижная крыша |
| 17 | 25A DOOR — Система блокировки дверей с электроприводом |
| 18 | 25A WIPER — Передний дворник и омыватель, задний дворник и омыватель, очиститель фар |
| 19 | 7,5A ECU-IG — Электрические вентиляторы охлаждения, многоточечная система впрыска топлива / система последовательного многоточечного впрыска топлива, ABS, VSC, аудиосистема, подвеска TOYOTA с электронной модуляцией, зеркала заднего вида с электроприводом, система автоматического управления освещением |
| 20 | 20A RR DEF — Обогрев заднего стекла |
| 21 | 7,5A GAUGE — Система зарядки, комбинация приборов, фонарь заднего хода, указатель поворота и аварийный свет, система многоточечного впрыска топлива / система последовательного многоточечного впрыска топлива, АБС, система блокировки дверей с электроприводом, электрические стеклоподъемники, напоминание о ключах и световое напоминание, предупреждение о не пристегнутом ремне безопасности, скольжение крыша, аудиосистема, часы, фара, автоматическая система управления освещением, противотуманные фары, задние фонари, габаритные огни, внутреннее освещение, система помощи при парковке TOYOTA, система кондиционирования, обогрев заднего стекла |
| 22 | 15A STOP — Стоп-сигнал, система управления блокировкой переключения передач, ABS, установленный высоко стоп-сигнал, система многоточечного впрыска топлива / система последовательного многоточечного впрыска топлива, подвеска TOYOTA с электронной модуляцией |
| Реле | |
| R1 | Перемычка (с 10.2003: Avensis Verso, Picnic) |
| R2 | Нагреватель (HTR) |
| R3 | Обогрев заднего стекла (RR DEF) |
| R4 | Зажигание (IG1) |
| R5 | Габариты (TAIL) |
Предохранители №9 и №15 по 15A отвечают за функционирование прикуривателя и дополнительных розеток в Toyota Ipsum.
Дополнительные элементы
Диаграмма

Расшифровка
- Реле управления лунной крышей
- Реле заднего охладителя
- Реле заднего стеклоочистителя (до 10.2003)
- Приемник управления беспроводным замком
Блоки под капотом
Расположение
Общая диаграмма размещения блоков в моторном отсеке

Обозначения
- Блок предохранителей и реле
- Реле управления очистителем фар
- ЭБУ системы противоскольжения с приводом
- Блок реле ABS
- 1CD-FTV: реле свечей накаливания
- Блок реле
Блок предохранителей и реле
Находится в левой секции моторного отсека под пластиковой крышкой для защиты от внешних факторов.

Диаграмма

Описание
| 1 | 30A DCC — Предохранители «ECU-B», «DOME», «RAD NO.1» |
| 2 | 15A IG2 — Бензин: электрические вентиляторы системы охлаждения, система распределенного впрыска топлива / система последовательного распределенного впрыска топлива, система кондиционирования воздуха |
| 30A FUEL HTR — Дизель: Подогреватель топлива | |
| 3 | 10A HORN — Сигнал |
| 4 | 10А HAZ — Указатель поворота и сигнальная лампа аварийной сигнализации |
| 5 | 15A EFI — Система распределенного впрыска топлива / система последовательного распределенного впрыска топлива, система кондиционирования воздуха, электрические вентиляторы охлаждения |
| 6 | 10A ETCS — Avensis Verso, Picnic (до 10.2003): Электронная система управления дроссельной заслонкой. |
| 10A ETCS — Ipsum (с 10.2003): Электронная система управления дроссельной заслонкой. | |
| 15A A/F — Avensis Verso, Picnic (с 10.2003): Датчик состава топливовоздушной смеси. | |
| 7 | 7,5A OBD — Бортовая система диагностики |
| 8 | 7,5A ALT-S — Avensis Verso, Picnic: система зарядки |
| 15A FR DEF — Ipsum (с 10.2003): Антиобледенитель стеклоочистителя. | |
| 9 | 50A MAIN — Реле «HEAD» (предохранители «HEAD LH LWR», «HEAD RH LWR», «HEAD LH UPR», «HEAD RH UPR») |
| 10 | 30A AM2 — Выключатель зажигания |
| 11 | 30A RR CLR — Система кондиционирования задней части салона |
| 12 | 30A HEAD LP CLN — Avensis Verso, Picnic: Очиститель фар |
| 15A Ipsum: розетка | |
| 13 | 7,5A RR FOG — Задний противотуманный фонарь |
| 14 | 40/50A ABS NO.1 -ABS, VSC |
| 15 | 30/40 ABS NO.2 — ABS, VSC |
| 16 | 30A CDS — Бензин: Электрические вентиляторы охлаждения |
| 40A CDS — Дизель: Электрические вентиляторы охлаждения | |
| 17 | 30A RDI — Бензин: Электрические вентиляторы охлаждения |
| 40A RDI — Дизель: Электрические вентиляторы охлаждения | |
| 18 | 50A HTR — Система кондиционирования / обогреватель |
| 19 | 140A ALT — Реле «RR DEF» (предохранители «RR DEF», «MIR HTR») реле «TAIL» (предохранители «TAIL», «PANEL»), реле «IG1» («ECU-IG», «GAUGE», «HTR» , Предохранители «SEAT HTR», «SRS-IG», «WIPER»), «PWR», «RR HTR», «DOOR», «DOOR NO.2», «FR FOG», «PWR OUTLET», «STOP» «,» АМ1 «предохранители |
| 20 | 15А HEAD RH UPR — Правая фара (дальний свет), комбинация приборов |
| 21 | 15А HEAD LH UPR — Левая фара (дальний свет) |
| 22 | 15А HEAD RH LWR — Левая фара (ближний свет), регулировка уровня света фар |
| 23 | 15А HEAD LH LWR — Правая фара (ближний свет) |
| 24 | 15А RAD NO.1 — Аудио система |
| 25 | 7,5А ECU-B — Система зарядки, многоточечная система впрыска топлива / система последовательного многоточечного впрыска топлива, ABS, подвеска TOYOTA с электронной модуляцией, система блокировки дверей с электроприводом, электрические стеклоподъемники, напоминание о ключах и световое напоминание, предупреждение о не пристегнутом ремне безопасности, аудиосистема, часы, комбинация приборов, фара, автомат система управления освещением, противотуманные фары, задние фонари, габаритные огни, внутреннее освещение, система помощи при парковке TOYOTA, система кондиционирования, обогрев заднего стекла |
| 26 | 10А DOME — Внутреннее освещение, личное освещение, освещение для ног, подсветка дверей, подсветка багажника, подсветка туалетного столика |
| Реле | |
| R1 | Фары (HEAD) |
| R2 | Avensis Verso, Picnic: (ДИММЕР) |
| Ipsum (с 10.2003): (FR DEF) — Обогрев стекла | |
| R3 | Бензин: Зажигание (IG2) |
| Дизель: Подогреватель топлива (FUEL HTR) | |
| R4 | Сигнал |
| R5 | Электро вентилятор системы охлаждения (ВЕНТИЛЯТОР №2) |
| R6 | Электро вентилятор системы охлаждения (ВЕНТИЛЯТОР №1) |
| R7 | Электро вентилятор охлаждения (ВЕНТИЛЯТОР № 3) |
| R8 | Блок управления двигателем (EFI) |
Основной блок реле
Диаграмма

Назначение
- R1 — Стартер (ST)
- R2 — 1CD-FTV: Блок управления двигателем (EDU) / 1AZ-FE (с 10.2003): Датчик соотношения воздух-топливо (A / F)
- R3 — Муфта компрессора кондиционера (MG / C)
- 1 — 7.5A ST — Система запуска, система распределенного впрыска топлива / система последовательного распределенного впрыска топлива
- 2 — Резерв
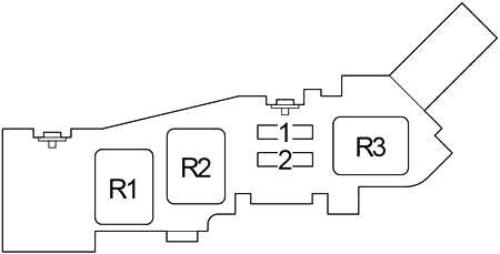
Дополнительный блок реле
Диаграмма

Расшифровка
| 1 | 50А HTR SUB 3 — Нагреватель (Передний кондиционер (кондиционер с автоматическим управлением), задний отопитель и дополнительный отопитель) |
| 2 | 50А HTR SUB 1 — Нагреватель (Передний кондиционер (кондиционер с автоматическим управлением), задний отопитель и дополнительный отопитель) |
| 3 | 50А HTR SUB 2 — Нагреватель (Передний кондиционер (кондиционер с автоматическим управлением), задний отопитель и дополнительный отопитель) |
| Реле | |
| R1 | Электро нагреватель (HTR SUB 1) |
| R2 | Электро нагреватель (HTR SUB 2) |
| R3 | Электро нагреватель (HTR SUB 3) |
В блоке реле ABS размещены компоненты, обеспечивающие работу антиблокировочной системы, включая ABS CUT и ABS MTR.
Это полное руководство по предохранителям и реле Toyota Ipsum 2 поколения. Если у вас есть дополнения или вопросы — оставляйте отзывы в комментариях.


