Mercedes-Benz W222 представляет собой шестое поколение премиальной линейки S-Class от известного немецкого автопроизводителя Mercedes-Benz. Автомобиль выпускался с 2013 по 2020 годы в вариантах S300, S350, S400, S450, S500 Hybrid, S550, S560, S600, S650, S63 и S65 AMG 4MATIC, доступных в кузовах седан, купе C217 и кабриолет A217. За период производства модель пережила обновление (рестайлинг), а специальная серия Mercedes-Maybach возродила легендарный бренд Maybach. В этой статье мы рассмотрим ключевые аспекты системы предохранителей и реле Mercedes W222, включая подробные схемы блоков предохранителей Mercedes-Benz, их расположение в автомобиле, а также акцент на предохранителе прикуривателя S-Class W222 для удобства ремонта и диагностики.

Конфигурация блоков предохранителей и функции элементов могут варьироваться в зависимости от года выпуска автомобиля и комплектации электроники; рекомендуется проверять данные по оригинальным схемам Mercedes W222.
Пример руководства с расшифровкой

Блоки предохранителей в интерьере
Модуль в торце приборной панели
Блок предохранителей и реле Mercedes W222 расположен на левом конце dashboard за откидной защитной панелью.

Диаграмма блока

Расшифровка элементов
| 200 | 40A Передний блок управления SAM |
| 201 | 40A Передний блок управления SAM |
| 202 | 5A Сирена сигнализации |
| 203 | 30A W222: Блок управления обогревателем сиденья водителя. |
| 204 | 5A Диагностический разъем |
| 205 | 7,5A Блок управления электронным замком зажигания |
| 206 | 5A Аналоговые часы |
| 207 | 20A Блок управления климат-контролем |
| 208 | 7,5A Приборный щиток |
| 209 | 5A Передний блок управления климат-контролем |
| 210 | 10A Блок управления модулем трубки рулевой колонки |
| 211 | Запасной |
| 212 | Запасной |
| 213 | 25A Блок управления электронной системой стабилизации |
| 214 | Запасной |
| 215 | Запасной |
| 216 | Запасной |
| 217 | 5A Японская версия: специальный блок управления системой связи ближнего действия |
| 218 | 5A Блок управления дополнительной удерживающей системой |
| 219 | 5A Блок управления системой измерения веса (WSS) |
| Распознавание занятости сиденья переднего пассажира и ACSR | |
| 220 | 15A Реле MAGIC VISION CONTROL |
| Реле | |
| D | Реле MAGIC VISION CONTROL |
| E | Резервное реле |
| F | Реле цепи 15R |
Блок предохранителей под приборной панелью
В правой стойке автомобиля, под панелью приборов, размещен дополнительный блок предохранителей Mercedes W222.

Изображение расположения

Схема расположения

Расшифровка
| 301 | 5A Зеркальный таксометр |
| 302 | 30A Блок управления передней правой дверью |
| 303 | 30A W222: Блок управления левой задней дверью. |
| C217, A217: Задний блок управления | |
| 304 | 30A W222: Блок управления задней правой дверью. |
| C217, A217: Задний блок управления | |
| 305 | 30A Блок управления сиденьем водителя |
| 306 | 30A Блок управления сиденьем переднего пассажира |
| 307 | 20A W222: Интеллектуальный сервомодуль для DIRECT SELECT |
| 30A C217, A217: Блок управления подогревателем сиденья водителя. | |
| 308 | 30A Блок управления обогревателем сиденья переднего пассажира |
| 309 | 5A Блок управления системой экстренного вызова |
| Модуль связи телематических служб | |
| Блок управления HERMES | |
| 310 | 25A Блок управления стационарным отопителем |
| 311 | 10A Электродвигатель заднего вентилятора |
| 312 | 10A Блок управления потолочной панелью управления |
| 313 | 10A Hybrid и Hybrid Plus: блок управления силовой электроникой |
| 314 | 7,5A A217: Противоугонная сигнализация (обозначение по согласованию) |
| 315 | 10A Блок управления трансмиссией |
| Действительно для бензинового двигателя: блок управления ME-SFI | |
| Действительно для двигателей 642, 651: Блок управления CDI | |
| 316 | Запасной |
| 317 | 30A W222: Блок управления панорамным сдвижным люком. |
| C217, A217: Блок управления MAGIC SKY CONTROL | |
| 318 | 15A Аудио / дисплей COMAND |
| 319 | 30A Блок управления панорамным сдвижным люком |
| C217, A217: Модуль управления панорамной шторкой на крыше. | |
| 320 | 15A Блок управления Active Body Control |
| Блок управления AIRmatic (действительно, кроме Active Body Control) | |
| 321 | 20A C217, A217: Интеллектуальный сервомодуль для DIRECT SELECT |
| 322 | 15A Блок управления COMAND |
| 323 | 7,5A Блок управления дополнительной удерживающей системой |
| MF1 / 1 | 7,5A Версия для Японии: специальный блок управления системой связи ближнего действия |
| MF1 / 2 | 7,5A Монохромная многофункциональная камера |
| Многофункциональная стереокамера | |
| MF1 / 3 | 7,5A Датчик дождя / света с дополнительными функциями |
| Блок управления потолочной панелью управления | |
| MF1 / 4 | 7,5A Блок управления сиденьем водителя |
| MF1 / 5 | 7,5A Блок управления сиденьем переднего пассажира |
| MF1 / 6 | 7,5A Блок управления модулем трубки рулевой колонки |
| MF2 / 1 | 5A Генератор парфюмерного распылителя |
| MF2 / 2 | 5A Панель управления аудио / COMAND |
| 5A Сенсорная панель | |
| MF2 / 3 | 5A Блок управления электронной системой стабилизации |
| MF2 / 4 | 5A Индикация на лобовом стекле |
| MF2 / 5 | 5A Hybrid и Hybrid Plus: электрический компрессор хладагента |
| MF2 / 6 | Запасной |
| MF3 / 1 | 5A Передний блок управления SAM |
| MF3 / 2 | 5A Блок управления радиолокационными датчиками |
| MF3 / 3 | 5A Двигатель вентилятора COMAND |
| MF3 / 4 | 5A Группа кнопок панели приборов со стороны водителя |
| Группа кнопок центральной панели приборов | |
| MF3 / 5 | 5A Блок управления заднего кондиционера |
| MF3 / 6 | 5A с 01.06.2016: Антенный переключатель для телефона и стационарного обогревателя |
Модуль силовых предохранителей в салоне
Этот блок силовых предохранителей Mercedes W222 также размещен под панелью приборов, под отделкой в области ног переднего пассажира.

Снимок расположения

Диаграмма

Функции
| I7 | 125A Блок предохранителей в правой передней стойке |
| I2 | 125A Левый модуль предохранителей и реле |
| C2 | Запасной |
| I8 | Запасной |
| I9 | Запасной |
| I3 | Подключение реле отключения тока холостого хода |
| C1 | 40A Регулятор воздуходувки |
| I1 | 40A Блок управления электронной системой стабилизации |
| I4 | Запасной |
| I6 | 60A Задний модуль предохранителей и реле |
| I5 | 60A Блок предохранителей в правой передней стойке |
| F32 / 4k2 | Реле отключения тока покоя |
Предохранительные блоки в багажнике
Основной модуль предохранителей и реле
В багажнике Mercedes W222 справа установлен центральный блок с предохранителями и реле, ключевой для задней электроники.

Диаграмма

Расшифровка
- Подключение контура 30 «E1»
- Подключение контура 30g «E2»
| 400 | 10A Блок управления системой парковки (Active Parking Assist или кодовая камера 360 градусов) |
| 401 | 5A Блок управления крышкой багажника |
| 402 | 7,5A Задний блок управления развлекательной системой |
| 403 | Запасной |
| 404 | 7,5A Блок управления обогревателем подлокотника |
| 405 | 7,5A Блок управления усилителем звуковой системы |
| Блок управления твитером передней левой двери | |
| Блок управления твитером передней правой двери | |
| 406 | Запасной |
| 407 | Запасной |
| 408 | 5A Блок тюнера |
| 409 | 5A Блок управления камерой 360 ° |
| Камера заднего вида | |
| 410 | 5A Блок управления крышкой камеры |
| 411 | 5A Блок управления датчика давления в шинах |
| 412 | 7,5A Блок управления обогревателем заднего сиденья |
| 413 | 10A Левый задний дисплей |
| Правый задний дисплей | |
| 414 | 7,5A Усилитель / компенсатор антенны задней сотовой телефонной системы |
| Подставка для мобильного телефона сзади | |
| Контактная пластина для мобильного телефона сзади | |
| Телефонный модуль с Bluetooth (профиль SAP) | |
| 415 | Запасной |
| 416 | Запасной |
| 417 | 20A Блок управления распознавания прицепа |
| 418 | Запасной |
| 419 | Запасной |
| 420 | 30A Блок управления преобразователем постоянного / переменного тока |
| 421 | 30A Пневматический насос с многоконтурным сиденьем |
| 422 | 30A W222: Блок управления задней правой дверью. |
| 423 | Запасной |
| 424 | 40A Задний блок управления SAM |
| 425 | Запасной |
| 426 | 30A Усилитель басового динамика |
| 427 | 20A Блок управления обогревателем подлокотника |
| 428 | 15A Блок управления распознавания прицепа |
| 429 | 10A Задний подстаканник |
| 430 | Прикуриватель с подсветкой пепельницы, задний |
| 15A Прикуриватель с подсветкой задней центральной консоли | |
| Розетка на центральной консоли слева, сзади, 12В (пакет для пепельницы / пакет для копчения) | |
| 431 | 15A Холодильник в задней части спинки |
| 432 | 10A Задний блок управления SAM |
| 433 | 25A Блок управления AdBlue |
| 434 | 15A Блок управления AdBlue |
| 435 | 20A Блок управления AdBlue |
| 436 | 20A Задний подстаканник |
| 437 | Запасной |
| 438 | 7,5A C217 с двигателем 157: Электродвигатель привода правой выпускной заслонки. |
| 439 | 7,5A C217 с двигателем 157: Электродвигатель привода левой выпускной заслонки. |
| 440 | Запасной |
| 441 | Запасной |
| 442 | Запасной |
| 443 | Запасной |
| 444 | Запасной |
| 445 | 5A Приемник радиоуправления стационарным отопителем |
| 446 | 5A Антенный усилитель FM 1, AM, CL [ZV] и KEYLESS-GO |
| 447 | 7,5A Гибрид: блок управления системой управления батареями |
| 448 | Запасной |
| 449 | Запасной |
| 450 | Запасной |
| 451 | 15A Розетка прицепа |
| 452 | 5A Радарный датчик заднего бампера слева |
| Радарный датчик заднего бампера правый | |
| Центральный радарный датчик заднего бампера | |
| 453 | 5A Радарный датчик переднего бампера слева |
| Радарный датчик переднего бампера правый | |
| Блок управления COLLISION PREVENTION ASSIST | |
| 454 | 5A Блок управления AdBlue |
| Блок управления топливной системой | |
| 455 | 15A Полностью интегрированный блок управления трансмиссией |
| 456 | Запасной |
| 457 | 7,5A Действительно для литий-ионной батареи: конденсатор стартерной батареи |
| 458 | Запасной |
| 459 | Запасной |
| 460 | 15A Передний прикуриватель с подсветкой пепельницы |
| 461 | 15A Розетка правой задней центральной консоли 12В |
| Розетка 12В | |
| Блок управления преобразователем постоянного / переменного тока | |
| 462 | 15A Розетка для багажного отделения |
| 463 | Запасной |
| 464 | 20A Блок управления распознавания прицепа |
| 465 | 30A Блок управления электрическим стояночным тормозом |
| 466 | 30A Блок управления передней левой дверью |
| 467 | 10A Блок управления KEYLESS-GO |
| 468 | 30A Блок управления электрическим стояночным тормозом |
| 469 | 25A Блок управления топливной системой |
| 470 | 30A Блок управления подогревателем заднего левого сиденья |
| Блок управления обогревателем заднего сиденья | |
| 471 | 30A Блок управления обогревателем заднего правого сиденья |
| 472 | 30A C217, A217: Задний блок управления |
| 473 | 20A Блок управления распознавания прицепа |
| 475 | 40A Блок управления усилителем звуковой системы |
| 476 | 40A Блок управления усилителем звуковой системы |
| 477 | 40A Блок управления активной пряжкой ремня |
| C217, A217: Задний блок управления | |
| 478 | 30A Блок управления левым задним сиденьем |
| 479 | 40A Блок управления активной пряжкой ремня |
| 480 | 30A Блок управления правым задним сиденьем |
| 481 | 5A Реверсивный передний левый ретрактор аварийного натяжения |
| 482 | 5A W222: Блок управления MAGIC SKY CONTROL |
| 7,5A C217, A217: Блок управления MAGIC SKY CONTROL | |
| 483 | 5A Реверсивный втягивающий механизм аварийного натяжения передний правый |
| 484 | 7,5A Блок управления правым задним сиденьем |
| Блок управления левым задним сиденьем | |
| 485 | 5A Блок управления активной пряжкой ремня |
| 486 | 10A Гибридный: |
| Блок управления системой управления аккумулятором | |
| Блок управления силовой электроникой | |
| 487 | 5A Блок управления электрическим стояночным тормозом |
| 488 | 5A Задний блок управления SAM |
| 489 | 5A Передний радарный датчик дальнего действия |
| 490 | 5A Пневматический насос с многоконтурным сиденьем |
| 491 | 40A Блок управления крышкой багажника |
| 492 | 40A Реверсивный втягивающий механизм аварийного натяжения передний правый |
| 493 | Запасной |
| 494 | 40A Задний блок управления SAM |
| 495 | 40A Обогрев заднего стекла |
| 496 | 40A Реверсивный передний левый ретрактор аварийного натяжения |
| Реле | |
| S | Реле цепи 15 салона автомобиля |
| Т | Реле обогревателя заднего стекла |
| U | 2-й ряд сидений подстаканник и реле розеток |
| V | Реле AdBlue |
| W | Реле контура 15R |
| X | Реле холодильника и розеток 1-го ряда сидений / багажника |
| Y | Запасное реле |
Функционирование прикуривателей в Mercedes W222 обеспечивают предохранители с номерами 430, 460 и 461, что важно для самостоятельной замены предохранителя прикуривателя.
Дополнительный силовой блок
Второй блок силовых предохранителей расположен на спинке заднего сиденья Mercedes W222, поблизости от аудиоусилителя.

Диаграмма

Расшифровка
| I3 | Запасной |
| I2 | 125A Блок управления обогревателем лобового стекла |
| I7 | 7,5A Гибрид: устройство отключения высокого напряжения |
| I4 | 150A Задний модуль предохранителей и реле |
| I6 | 200A Дополнительная батарея ECO start / stop |
| I7 | 10A Дополнительная батарея ECO start / stop |
| Передний блок управления SAM | |
| Блок управления электронным замком зажигания | |
| I1 | Запасной |
| I11 | Запасной |
| I7 | 10A Передний блок управления SAM |
| I8 | Функция ECO start / stop подключение дополнительного реле аккумуляторной батареи |
| I5 | Гибрид: высоковольтный пироэлектрический предохранитель, срабатывающий блоком управления дополнительной удерживающей системы |
| I9 | Подключение реле развязки |
| F33k1 | Реле развязки |
| F33k2 | Функция ECO start / stop дополнительное реле аккумуляторной батареи |
На клеммах аккумулятора Mercedes W222 также могут быть установлены дополнительные защитные элементы для усиления безопасности электрической системы.

Модули под капотом
В моторном отсеке Mercedes-Benz W222 предусмотрены два блока предохранителей (левый и правый); для доступа снимите пластиковую крышку, чтобы осмотреть схемы предохранителей под капотом.

Блок предохранителей и реле слева
Этот модуль установлен в левой зоне подкапотного пространства Mercedes W222.

Диаграмма

Расшифровка
| 100 | 40A Гибрид: вакуумный насос |
| 101 | 15A Соединительная муфта, контур 87/2 |
| 102 | 20A Соединительная муфта, контур 87/2 |
| 103 | 15A Соединительная муфта цепи 87М4 |
| 104 | 15A Соединительная муфта цепи 87М3 |
| 105 | 15A Для коробки передач 722.9: Блок управления вспомогательным насосом трансмиссионного масла |
| 106 | 25A Подогреватель парковочного положения стеклоочистителя |
| 107 | 60A Действительно для двигателей 277, 279: Электрическое подключение стартера / воздушного насоса |
| 108 | 20A Действительно для динамической светодиодной фары SAE для правостороннего движения или динамической светодиодной фары: |
| Передний левый блок фонаря | |
| Передний правый блок фонаря | |
| Действительно без динамической светодиодной фары SAE для правостороннего движения или динамической светодиодной фары: | |
| Передний правый блок фонаря | |
| 109 | 30A Двигатель стеклоочистителя |
| 110 | 20A Действительно для динамической светодиодной фары с кодом SAE для правостороннего движения или динамической светодиодной фары: |
| Передний левый блок фонаря | |
| Передний правый блок фонаря | |
| Действительно без динамической светодиодной фары SAE для правостороннего движения или динамической светодиодной фары: | |
| Передний левый блок фонаря | |
| 111 | 30A Стартер |
| 112 | 5A Модуль предохранителей и реле двигателя |
| 113 | Запасной |
| 114 | 40A Компрессор AIRmatic |
| 115 | 15A Левый рог фанфар |
| Правый рог фанфар | |
| 116 | 5A Гибрид: реле вакуумного насоса |
| 117 | Запасной |
| 118 | 5A Гибрид: блок управления электронной системой стабилизации |
| 119 | 15A Соединительная муфта цепи 87 / C2 |
| 120 | 7,5A Соединительная муфта цепи 87 / C1 |
| 121 | 5A Блок управления электронной системой стабилизации |
| 122 | 5A Гибрид: реле HYBRID |
| 123 | 5A Блок управления Night View Assist |
| 124 | 5A Гибрид: электрический разъем салона автомобиля и моторного отсека |
| 125 | 5A Передний блок управления SAM |
| 126 | 5A Блок управления трансмиссией |
| Действительно для дизельного двигателя: блок управления CDI | |
| Действительно для бензинового двигателя: Блок управления ME-SFI [ME] | |
| 127 | Запасной |
| 128 | 5A Выключатель наружного освещения |
| 129A | 30A Гибрид: реле цепи стартера 50 |
| 129B | 30A Действительно, кроме гибрида: реле цепи стартера 50 |
| Реле | |
| G | Реле цепи 15 в моторном отсеке |
| H | Реле цепи стартера 50 |
| I | Реле вакуумного насоса тормозов |
| J | Гибрид: реле HYBRID |
| K | Реле масляного насоса трансмиссии |
| L | Реле звукового сигнала |
| M | Реле подогревателя парковочного положения стеклоочистителя |
| N | Реле цепи 87М |
| О | Действительно, кроме гибрида: реле цепи 15 стартера |
| P | Реле впрыска вторичного воздуха |
| Q | Гибрид: реле вакуумного насоса |
| R | Реле AIRmatic |
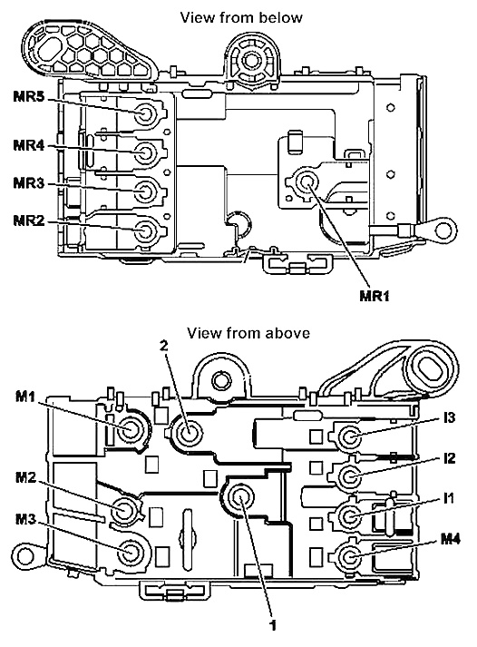
Силовой блок справа
Этот мощный модуль предохранителей размещен в правой секции моторного отсека Mercedes W222.

Диаграмма

Функции
- Подключение, контур 30 «В1»
- Подключение, цепь 30 без фиксации «B2»
| M3 | 500A Гибрид: электрическая машина |
| 500A Действительно, кроме Гибрида: Генератор | |
| M1 | Гибрид: электрическая машина |
| Действительно, кроме Hybrid: Starter | |
| MR5 | 100A Блок управления электроусилителем руля |
| MR2 | 100A Мотор вентилятора |
| M4 | 100A Гибрид: полностью интегрированный блок управления трансмиссией |
| I1 | Запасной |
| M2 | 150A Действительно для дизельного двигателя: выходной каскад накаливания |
| MR1 | 60A Модуль предохранителей и реле двигателя |
| MR3 | Запасной |
| MR4 | 150A Действительно для двигателей 277, 279: Двигатель вентилятора |
| I2 | Запасной |
Это все основные сведения о предохранителях и реле Mercedes W222. Если у вас есть дополнения или вопросы по схемам блоков предохранителей S-Class, поделитесь в комментариях.


