Предохранители и реле Chevrolet Bolt EV второго поколения: модель выпускалась в 2016–2022 годах и также известна как Holden Bolt. В этой статье вы найдете подробное описание блоков предохранителей Chevrolet Bolt EV, включая схемы расположения, фотографии реальных примеров и точные места установки. Полезная информация для ремонта и диагностики электрики автомобиля.

Функции предохранителей и реле в Chevrolet Bolt EV могут варьироваться в зависимости от года выпуска, комплектации и рынка сбыта вашего электромобиля.
Блок предохранителей под капотом Chevrolet Bolt EV
Основной блок с предохранителями и реле в моторном отсеке Chevrolet Bolt EV установлен слева от аккумулятора, в удобном доступе для обслуживания.

Иллюстрация расположения

Диаграмма блока под капотом

Расшифровка предохранителей и реле
| 1 | — |
| 2 | Задний стеклоподъемник |
| 3 | 2022: Грузовой фонарь |
| 4 | Аккумуляторная система накопления энергии 1 |
| 5 | 2022: водитель сиденья с электроприводом |
| 7 | 2017-2021: Левая фара дальнего света |
| 8 | 2017-2021: Правая фара дальнего света |
| 9 | 2017-2021: Левая фара ближнего света |
| 10 | 2017-2021: Правая фара ближнего света |
| 11 | Сигнал |
| 12 | — |
| 13 | Драйвер мотора переднего стеклоочистителя |
| 15 | Второй водитель мотора переднего стеклоочистителя |
| 16 | Электронный блок питания блока управления тормозом |
| 17 | Задний стеклоочиститель |
| 18 | Задняя дверь |
| 19 | Передний модуль сиденья |
| 20 | Омыватель |
| 22 | Линейный силовой модуль |
| 23 | Электродвигатель питания модуля управления тормозом |
| 24 | Задний модуль сиденья |
| 26 | Модуль управления диапазоном трансмиссии |
| 27 | Аэрозатвор |
| 28 | Вспомогательный масляный насос |
| 29 | Источник усилителя электрического тормоза |
| 30 | Передние электрические стеклоподъемники |
| 31 | Внутрищитовой шинный электрический центр |
| 32 | Обогрев заднего стекла |
| 33 | Наружное зеркало заднего вида с обогревом |
| 34 | Функция оповещения пешеходов |
| 35 | — |
| 36 | — |
| 37 | Датчик тока |
| 38 | 2017-2021: Датчик дождя |
| 2022: Датчик влажности | |
| 39 | — |
| 40 | Электрический усилитель тормозов (ECU) |
| 41 | Модуль связи по линии электропередач |
| 42 | Автоматическое (младенческое) обнаружение присутствия |
| 43 | Переключатель окна |
| 44 | Аккумуляторная система накопления энергии |
| 45 | Модуль управления интеграцией автомобиля |
| 46 | 2017-2021: Встроенный модуль управления шасси |
| 2022: Интерфейсная плата переключателя передач | |
| 47 | 2017-2020: Корректировка фар |
| 2022: Датчик влажности | |
| 48 | 2017-2021: Встроенный модуль управления шасси |
| 2022: Интерфейсная плата переключателя передач | |
| 49 | Внутреннее зеркало заднего вида |
| 50 | — |
| 51 | Электрический тормозной усилитель |
| 52 | 2017-2020: Задняя камера |
| 54 | Модуль управления кондиционером |
| 55 | Насос охлаждающей жидкости перезаряжаемой системы накопления энергии |
| 56 | — |
| 57 | Насос охлаждающей жидкости силовой электроники |
| 58 | Модуль управления двигателем |
| 59 | 2017-2020: Электроблокировка рулевой колонки |
| 60 | Электрический обогреватель ОВКВ |
| 61 | Встроенный зарядный модуль |
| 62 | Модуль управления диапазоном передач 1 |
| 63 | Электрический вентилятор охлаждения |
| 64 | Модуль управления двигателем |
| 65 | Насос дополнительного отопителя |
| 66 | Силовой агрегат |
| 67 | Контроллер привода |
| 70 | Модуль управления кондиционером |
| 71 | — |
| 72 | Модуль управления диапазоном трансмиссии |
| 73 | Одиночный силовой инверторный модуль |
| 74 | — |
| Реле | |
| 6 | 2017-2019: Не используется |
| 2020-2022: функция оповещения пешеходов | |
| 14 | Задняя дверь |
| 21 | 2017-2021: газоразрядная лампа |
| 25 | Силовой агрегат |
| 53 | Запустить /завести |
| 68 | Обогрев заднего стекла |
| 69 | Второй запуск |
Блок предохранителей в салоне Chevrolet Bolt EV
В пассажирском отсеке блок предохранителей и реле Chevrolet Bolt EV размещен в нижней секции приборной панели на стороне водителя, под защитной панелью для легкого доступа.

Пример доступа к блоку

Диаграмма блока в салоне

Расшифровка
| F01 | Модуль обработки видео |
| F02 | Световой индикатор солнечного датчика |
| F03 | Оповещение о боковой слепой зоне |
| F04 | Пассивный вход, пассивный старт |
| F05 | CGM (модуль центрального шлюза) |
| F06 | Блок управления кузовом 4 |
| F07 | Модуль управления кузовом 3 |
| F08 | Блок управления кузовом 2 |
| F09 | Модуль управления кузовом 1 |
| F10 | 2017-2021: Интерфейсный модуль прицепа 1 |
| 2022: Полиция ССВ | |
| F11 | Усилитель |
| F12 | Блок управления кузовом 8 |
| F13 | Разъем канала передачи данных 1 |
| F14 | Автоматическая помощь при парковке |
| F15 | 2017: Разъем канала передачи данных 2 |
| 2018-2021: Не используется | |
| 2022: Левая фара | |
| F16 | Модуль одиночного инвертора мощности 1 |
| F17 | Блок управления кузовом 6 |
| F18 | Модуль управления кузовом 5 |
| F19 | — |
| F20 | — |
| F21 | — |
| F22 | — |
| F23 | USB |
| F24 | Модуль беспроводной зарядки |
| F25 | Отраженный светодиодный дисплей оповещения |
| F26 | Рулевое колесо с подогревом |
| F27 | 2017-2018: Не используется |
| 2019-2022: CGM 2 (модуль центрального шлюза) | |
| F28 | Комбинация приборов 2 |
| F29 | 2017-2021: Интерфейсный модуль прицепа 2 |
| F30 | 2017-2020: Регулятор фар |
| F31 | 2017-2021: OnStar |
| 2022: Платформа управления телеметрией (OnStar) | |
| F32 | 2017-2018: Не используется |
| 2019-2021: Виртуальный датчик доступа | |
| F33 | Модуль отопления, вентиляции и кондиционирования |
| F34 | 2017-2018: Не используется |
| 2019-2021: Модуль виртуального доступа | |
| 2022: Дисплей систем отопления, вентиляции и кондиционирования воздуха/ интегрированная центральная консоль | |
| F35 | Комбинация приборов 1 |
| F36 | 2017-2021: Радио |
| 2022: Модуль центрального стека | |
| F37 | — |
| F38 | — |
| F39 | — |
| F40 | — |
| F41 | — |
| F42 | — |
| F43 | Модуль управления кузовом 7 |
| F44 | Сенсорно — диагностический модуль |
| F45 | Модуль фронтальной камеры |
| F46 | Модуль управления интеграцией автомобиля |
| F47 | Один модуль силового инвертора 2 |
| F48 | 2017-2020: Электро блокировка рулевой колонки |
| 2022: Правая фара | |
| F49 | Дополнительный домкрат |
| F50 | Управление на руле |
| F51 | 2017-2021: Подсветка кнопок на руле |
| F52 | 2017-2020: модуль дистанционного управления смартфоном |
| F53 | Вспомогательная розетка |
| F54 | — |
| F55 | Логистика |
| F56 | 2022: Полиция ССВ |
| Реле | |
| F57 | 2022: Полиция ССВ |
| F58 | Реле логистики |
| F59 | — |
| F60 | Дополнительное/ сохраненное вспомогательное силовое реле |
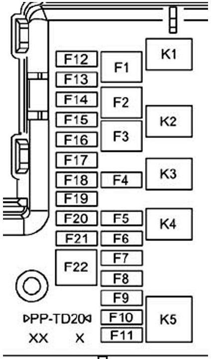
Блок предохранителей в багажнике Chevrolet Bolt EV
Дополнительный блок предохранителей и реле в Chevrolet Bolt EV расположен в багажнике под ковриком пола, поблизости от высоковольтной батареи, для защиты систем электромобиля.

Диаграмма блока в багажнике

Расшифровка функций
| F1 | 2015-2018: Пусто; 2019: электропривод водительского сиденья |
| F2 | Пусто |
| F3 | Пусто |
| F4 | 2015-2018: Пусто; 2019: система поясничной регулировки сиденья водителя / Keypass |
| F5 | 10A K132 — Модуль управления звуком оповещения о пешеходах |
| F6 | 10A T18 — Зарядное устройство |
| F7 | 15A Модуль управления обогревом переднего сиденья |
| F8 | 15A Модуль управления обогревом переднего сиденья |
| F9 | 5A Переключатель окна и наружного зеркала заднего вида с водительской стороны (S146) |
| Переключатель запроса на дозаправку (S117) | |
| F10 | Пусто |
| F11 | 30A Аудиоусилитель (T3) |
| F12 | 2A S70E — Переключатель органов управления на рулевом колесе — предустановки радио |
| F13 | Пусто |
| F14 | Пусто |
| F15 | Пусто |
| F16 | Пусто |
| F17 | Пусто |
| F18 | Пусто |
| F19 | 10A Модуль управления активной безопасностью (K124) |
| Датчик обнаружения бокового объекта – левый (B218L) | |
| Датчик обнаружения бокового объекта – правый (B218R) | |
| Модуль управления системой помощи при парковке (K182) | |
| Модуль камеры переднего вида (K109) | |
| F20 | 10A Насос обнаружения утечек системы улавливания паров газа в сборе (Q63) |
| Электромагнитный клапан вентиляции испарительных выбросов (Q13) | |
| F21 | 15A Модуль управления обогревом сиденья (K29R) – сзади |
| F22 | 30A Переключатель стеклоподъемника (S79RR) — правый задний |
| Переключатель стеклоподъемника (S79P) — пассажирский | |
| K1 | Пусто |
| K2 | Пусто |
| K3 | Пусто |
| K4 | Пусто |
| K5 | Пусто |
Если у вас есть идеи по улучшению статьи о предохранителях Chevrolet Bolt EV — делитесь в комментариях.


