Компания Планар (Адверс) занимает лидирующие позиции в изготовлении жидкостных предпусковых подогревателей для двигателей. Популярные модели включают Планар 4ДМ2 для грузовых автомобилей и специальной техники, а также Бинар 5S для легковых машин. В этой статье мы разберём расположение предохранителей в Бинар 5S с фото, коды ошибок предпускового обогревателя и методы их устранения, а также схемы подключения и электрических соединений для установки и ремонта.

Принцип функционирования предпускового подогревателя
При активации Бинар-5S вручную или удалённо топливный насос подаёт горючее в камеру сгорания. Воздух забирается снаружи через интегрированный фильтр. В камере смесь зажигается свечой накаливания. Отработанные газы отводятся через глушитель, гарантируя безопасность эксплуатации жидкостного обогревателя.
Жар от сгорания передаётся теплообменнику, который нагревает антифриз (тосол). Помпа обеспечивает циркуляцию горячей жидкости по контуру охлаждения мотора, прогревая двигатель и обеспечивая тепло в кабине авто.
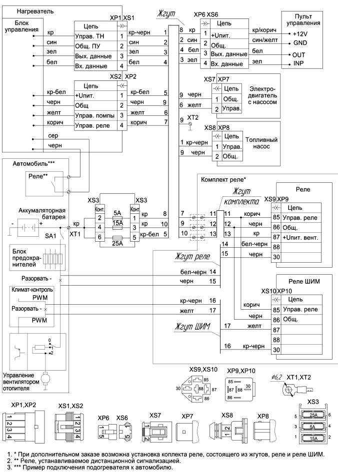
Диаграмма электрического подключения Бинар 5S

Блок предохранителей в Бинар 5S
Согласно схеме подключения, предохранители системы Бинар 5S размещены на жгуте электропитания, недалеко от аккумулятора, внутри специального защитного корпуса для предпускового обогревателя.
Фотография блока предохранителей

В этом модуле обычно размещены три предохранителя для защиты электрической системы подогревателя:
- 5А (коричневый) — для питания дистанционного пульта управления
- 15А (синий) — на салонный обогреватель
- 25А (белый) — основной для питания устройства Бинар 5S
Всегда проверяйте данные по вашим инструкциям по установке предпускового подогревателя Бинар: скачать руководство.
Диаграмма электрических подключений

Реле в системе Бинар 5S
Модель поддерживает установку дополнительных реле, таких как ШИМ-реле для контроля климат-контроля в салоне. Это реле не входит в базовый комплект жидкостного подогревателя и покупается отдельно для диагностики и ремонта.
ШИМ-реле (с широтно-импульсной модуляцией) — это компонент, регулирующий подачу энергии на нагрузку через импульсы. Оно обеспечивает точный контроль мощности для моторов, обогревателей и освещения в автомобиле с предпусковым обогревателем.
Пример реле для Бинар 5S на фото

Если предпусковый обогреватель Бинар 5S не активируется, первым делом осмотрите предохранитель на линии питания для выявления неисправностей.
Диагностика кодов ошибок Бинар 5S
Когда подогреватель выдаёт звуковые сигналы или мигает индикатор при попытке запуска, но не работает, используйте таблицу кодов ошибок для самостоятельной диагностики и ремонта жидкостного подогревателя.
| Код | Описание неисправности | Причина неисправности | Рекомендуемые методы устранения |
|---|---|---|---|
| 01 | Перегрев (по температуре) | Температура в зоне одного из датчиков более 120ºС. | 1. Проверить полностью жидкостный контур на наличие воздушных пробок. 2. Проверить помпу (п. 5.9). 3. Проверить датчик температуры и датчик перегрева (п. 5.5). 4. Проверить качество тосола, который должен применяться в зависимости от температуры окружающей среды. |
| 03-04 | Неисправность датчика температуры №1 | Короткое замыкание или обрыв проводников. | Заменить сборку датчиков |
| 05 | Неисправность индикатора пламени | Короткое замыкание на корпус или обрыв в электропроводке индикатора | Проверить индикатор пламени |
| 06 | Неисправность датчика температуры на блоке управления | Вышел из строя датчик температуры (находиться в блоке управления, замене не подлежит) | Заменить блок управления |
| 09 | Неисправность свечи накаливания | Короткое замыкание, обрыв, неисправность блока управления | Проверить свечу накаливания. Проверить блок управления |
| 10 | Неисправность нагнетателя воздуха. Обороты ниже номинала | Посторонние предметы (мусор) мешают вращению крыльчатки или крыльчатка задевает за крышку нагнетателя воздуха. | Проверить электропроводку. Проверить НВ на наличие грязи; |
| 12 | Отключение, повышенное напряжение. | Напряжение питания выше 16В | Проверить напряжение на разъеме ХS2 нагревателя. Проверить предохранители, аккумуляторную батарею, регулятор напряжения автомобиля и подводящую электропроводку |
| 13 | Попытки запуска исчерпаны | Розжиг не состоялся. (2 раза) | Проверить топливопровод, топливный насос и нагнетатель воздуха. Проверить выхлопную трубу. Проверить камеру сгорания, при необходимости почистить отверстие в свечном штуцере камеры сгорания |
| 14 | Неисправность помпы | Обрыв или короткое замыкание токоведущих частей. | Проверить электропровода циркуляционного насоса на короткое замыкание и обрыв, проверить помпу. Почистить насосную часть помпы |
| 15 | Отключение, пониженное напряжение. | Напряжение питания менее 10В | Проверить напряжение на разъеме ХS2 нагревателя. Проверить предохранители, аккумуляторную батарею, регулятор напряжения автомобиля и подводящую электропроводку. |
| 16 | Превышено время< на вентиляцию | За время продувки недостаточно охлаждён датчик пламени. | Проверить воздухозаборник и газоотводящий трубопровод. Проверить индикатор пламени и при необходимости заменить. |
| 17 | Неисправность топливного насоса (короткое замыкание) | Короткое замыкание в электропроводке топливного насоса. | Проверить топливный насос |
| 20 | Нет связи между блоком управления и пультом | Короткое замыкание или обрыв в электропроводке от изделия к ПУ. | Проверить предохранитель 5 А. Проверить цепи и контакты |
| 21 | Прерывание пламени на режиме «ПРОГРЕВ» | Условия для поддержания горения плохие. Недостаток топлива или воздуха, закопчен теплообменник, засорена выхлопная труба | Проверить воздухозаборник, газоотводящий трубопровод и подачу топлива, устранить неисправности, при необходимости заменить топливный насос и индикатор пламени |
| 22 | Неисправность топливного насоса (обрыв) | Обрыв в электропроводке топливного насоса | Проверить топливный насос |
| 24 | Резкое изменение температуры на одном из датчиков | Возможный перегрев в зоне одного из датчиков температуры из-за слабой циркуляции охлаждающей жидкости. | 1. Проверить полностью жидкостный контур на наличие воздушных пробок. 2. Проверить помпу 3. Проверить датчик температуры и датчик перегрева 4. Проверить качество тосола, который должен применяться в зависимости от температуры окружающей среды. |
| 25 | Слишком быстрый нагрев охлаждающей жидкости | За 1 цикл работы подогреватель трижды достиг ждущего режима за время менее 6 мин. | 1. Проверить полностью жидкостный контур на наличие воздушных пробок. 2. Проверить помпу 3. Проверить датчик температуры и датчик перегрева 4. Проверить качество тосола, который должен применяться в зависимости от температуры окружающей среды. |
| 27 | Неисправность нагнетателя воздуха. | Двигатель не вращается (возможно задевание) | Проверить НВ на наличие механических помех вращению Проверить электропроводку, нагнетатель воздуха и блок управления. |
| 28 | Неисправность нагнетателя воздуха. | Двигатель вращается без управления (возможна неисправность 5В питания в блоке управления) | Проверить НВ на наличие механических помех вращению Проверить электропроводку, нагнетатель воздуха и блок управления. |
| 29 | Исчерпаны попытки розжига во время работы подогревателя | Количество повторных розжигов больше 4-х. | Проверить топливную систему. Проверить затяжку хомутов на топливопроводе, герметичность топливопровод, герметичность щтуцера на топливном насосе, производительность топливного насоса |
| 30 | Срыв пламени в камере сгорания в результате просадки напряжения | При снижении напряжения питания бортовой сети воздуходувка останавливается. | Проверить аккумуляторную батарею, электропроводку. (Просадка напряжения может возникнуть из-за длительного включения электростартера). |
| 37 | Подогреватель заблокирован | Ошибка №13 повторилась три раза подряд | Выяснить причину возникновения ошибки, устранить. Разблокировать подогреватель |
| 50 | Нет связи между пультом управления и модемом | Короткое замыкание или обрыв в электропроводке | Проверить предохранитель 5 А. Проверить цепи и контакты |
| 78 | Срыв пламени | Зафиксирован срыв пламени во время работы. Ошибка информационная (не критическая). | Показывается для информации пользователя. Проверить затяжку хомутов на топливопроводе, герметичность топливопровода, герметичность штуцера на топливном насосе |
Метод разблокировки подогревателя Бинар 5S
Код ошибки 37 появляется после трёх подряд неудачных запусков с кодом 13, чтобы избежать перелива топлива в камеру сгорания предпускового обогревателя.
Шаги для разблокировки:
- Активируйте устройство через дистанционный пульт.
- В<|pad|> 30 секунд после старта:
- Отключите питание, вытащив 25 А предохранитель (белый, на толстый красно-белый кабель).
- Подождите 5 секунд, вставьте предохранитель на место.
- Выполните процедуру три раза подряд.
После разблокировки отключите топливный насос от бака, прокачайте линию топлива до насоса шприцем или аналогичным инструментом, затем сразу подключите обратно для нормальной работы Бинар 5S.
Если у вас есть идеи по улучшению статьи о предохранителях, схемах или кодах ошибок Бинар 5S — делитесь в комментариях.


