Советский седан среднего класса ГАЗ-24 «Волга» выпускался в нескольких вариантах и модификациях с 1966 по 1992 год, включая популярные версии ГАЗ-24-10 и ГАЗ-24-20. Из-за этого существует множество схем электрооборудования для разных моделей. В этой статье мы разберем расположение ключевых электронных компонентов, подробно опишем предохранители и реле ГАЗ-24, а также предоставим электросхемы. Особое внимание уделим предохранителю прикуривателя для поздних модификаций Волги ГАЗ-24.
Газ 24
Электрооборудование на ГАЗ-24 работает от постоянного тока. Все приборы подключены по однопроводной схеме, где кузов автомобиля выступает вторым проводником. Отрицательные клеммы всех устройств соединены с массой кузова. Стандартное напряжение системы — 12 В, что типично для автомобилей Волга ГАЗ-24.
Предохранители и реле
Большинство предохранителей и реле блока ГАЗ-24 расположены внутри салона, под приборной панелью на стороне водителя, что облегчает доступ для ремонта и диагностики.

Кнопочные термобиметаллические предохранители ПР2-Б и ПР315 для ГАЗ-24
Модели предохранителей ПР2-Б (20 А) и ПР315 (15 А) оснащены возвратной кнопкой. Основной элемент — биметаллическая пластина 3 с приваренными контактами. При превышении тока (например, из-за КЗ) пластина нагревается, изгибается и размыкает контакты, прерывая цепь в системе электрооборудования ГАЗ-24.
Схема

Расшифровка
- и 8. — клеммы
- корпус
- биметаллическая пластина
- возвратная кнопка
- контакт
- контргайка
- центральный винт.
Чтобы восстановить цепь, нажмите кнопку 4. Включение возможно только после устранения неисправности в блоке предохранителей ГАЗ-24. Если проблема persists, предохранитель сработает вновь. Не удерживайте кнопку пальцем во время работы.
Если короткое замыкание не устранено, то контакты снова размыкаются.
Примечание.
Термобиметаллический предохранитель в цепи освещения ГАЗ-24 не предназначен для мощных фар. При использовании ламп высокой мощности пластина перегревается, вызывая мигание фар в электросхеме Волга.
Электросхема
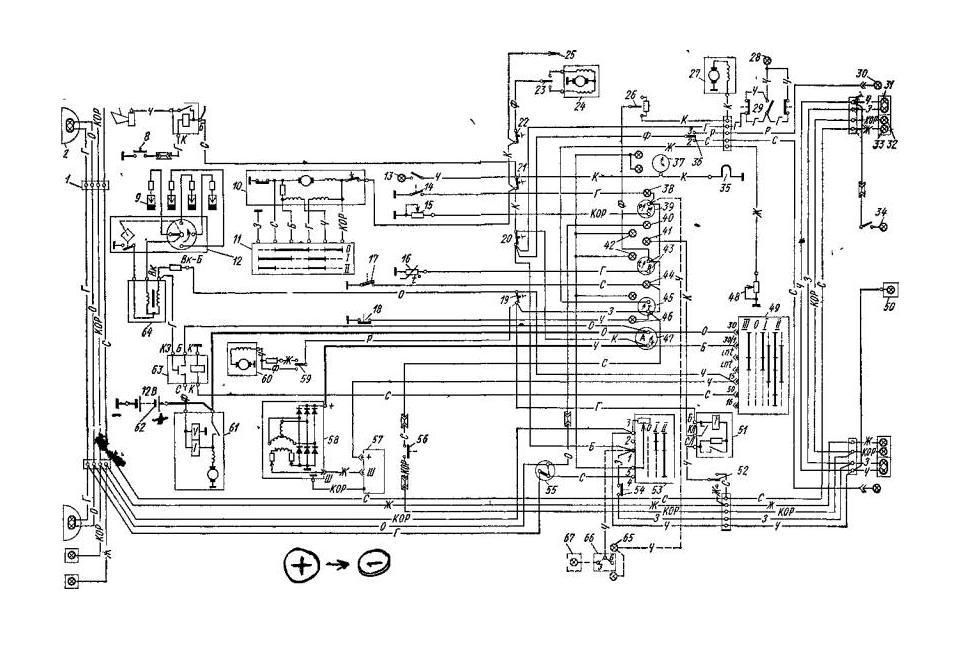
Старые модели
Схема

скачать
Описание
1 -соединительная колодка, 2 — фара, 3 — подфарник, 4 — указатель поворота, 5 — звуковые сигналы, 6 — реле сигналов, 7 — штепсельная розетка, 8 — кнопка сигналов, 9 — свечи зажигания, 10 — электродвигатель стеклоочистителя, 11 -переключатель стеклоочистителя, 12 — распределитель зажигания, 13 — подкапотная пампа, 14 — датчик контрольной лампы аварийного давления масла 15 — датчик указателя давления масла 16 — датчик контроля температуры воды в двигателе, 17 — датчик контроля температуры воды в радиаторе, 18 — выключатель контрольной лампы тормоза стоянки, 19 — кнопочный предохранитель электродвигателя отопителя, указателей поворота, приборов и вентилятора обдува заднего стекла, 20 — кнопочный предохранитель освещения, 21 — кнопочный предохранитель часов, прикуривателя, сшналов и подкапотной лампы, 22 — кнопочный предохранитель электродвигателя антенны, 23 — переключатель электродвигателя антенны, 24 — электродвигатель антенны, 25 — провод питания радиоприемника, 26 — переключатель электродвигателя обдува заднею стекла, 27 — электродвигатель обдува заднего стекла, 28 — плафон, 29 — выключатели плафона, 30 — фонарь света стоянки, 31 — стоп-сигнал и задний габаритный свет 32- свет заднего хода, 33 — указатель поворота, 34 — фонарь освещения багажника, 35 — прикуриватель, 36 — переключатель света стоянки, 37 — часы, 38 — контрольная лампа аварийного давления масла, 39 — указатель давления масла, 40 — контрольная лампа дальнего света фар, 41 — контрольная лампа указателей поворота, 42 — лампы подсвета приборов, 43 — указатель температуры воды в двигателе, 44 — контрольная лампа стояночного тормоза, 45 — указатель уровня бензина, 46 — контрольная лампа перегрева воды в радиаторе, 47 — амперметр, 48 — датчик указателя уровня бензина, 49 — выключатель зажигания, стартера и замка руля, 50 — фонарь освещения номерного знака, 51 — прерыватель указателей поворота, 52 — переключатель указателей поворота, 53 — центральный переключатель света 54 — выключатель стоп-сигнала, 55 — ножной переключатель света 56 — выключатель света заднего хода, 57 — регулятор напряжения, 58 — генератор, 59 — переключатель электродвигателя отопителя, 60 — электродвигатель отопителя, 61 — стартер, 62 — аккумуляторная батарея, 63 -дополнительное реле стартера, 64 — катушка зажигания, 65 — лампы осрещения таксометра, 66 — выключатель опознавательною знака такси, 67 — фонарь опознавательного знака такси.
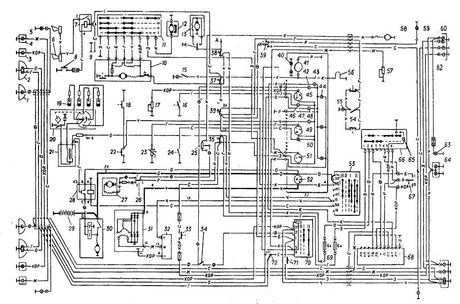
Более новые модели
Схема

скачать
Обозначение
А — провод питания радиоприемника; 1 — противотуманная фара; 2 — фара; 3 — подфарник; 4 — передний указатель поворота; 5 — боковой повторитель указателей поворота; 6 — сигнал; 7 — реле сигналов; 8 — выключатель сигналов; 9 — штепсельная розетка; 10 — стеклоочиститель; 11 — переключатель электродвигателя стеклоочистителя; 12 — стеклоомыватель; 13 — электродвигатель антенны; 14 — переключатель электродвигателя антенны; 15 — подкапотная лампа и ее выключатель; 16 — датчик контрольной лампы аварийного давления масла; 17 — датчик указателей давления масла; 18 — датчик контрольной лампы неисправности рабочих тормозов; 19 — свеча зажигания; 20 — распределитель зажигания; 21 — катушка зажигания; 22 — выключатель контрольной лампы тормоза стоянки; 23 — датчик указателя температуры охлаждающей жидкости; 24 — датчик контрольной лампы перегрева двигателя; 25 — переключатель электродвигателя обдува заднего стекла; 26 — переключатель электродвигателя вентилятора отопи геля; 27 — электродвигатель вентилятора отопителя; 28 — дополнительное реле стартера; 29 — аккумуляторная батарея; 30 — стартер; 31 — генератор; 32 — регулятор напряжения; 33 — выключатель света заднего хода; 34 — выключатель противотуманных фар; 35-38 — кнопочные предохранители; 39 — переключатель света стоянки; 40 — лампы освещения часов; 41 — часы; 42 — контрольная лампа противотуманных фар; 43 — контрольная лампа указателей поворота; 44 — лампы освещения комбинации приборов; 45 — указатель давления масла; 46 — контрольная лампа аварийного давления масла; 47 — контрольная лампа тормоза стоянки и неисправности рабочих тормозов; 48 — контрольная лампа дальнего света фар; 49 — указатель температуры охлаждающей жидкости; 50 — контрольная лампа перегрева двигателя; 51 — указатель уровня топлива; 52 — амперметр; 53 — выключатель зажигания и стартера; 54 — выключатели плафона; 55 — плафон; 56 — прикуриватель; 57 — датчик указателя уровня топлива; 58 — электродвигатель обдува заднего стекла; 59 — фонарь света стоянки; 60 — лампа габаритного света и стоп-сигнала; 61 — лампа указателя поворота; 62 — лампа света заднего хода; 63 — лампа освещения багажника; 64 — фонарь освещения номерного знака; 65 — контрольная лампа системы аварийной сигнализации; 66 — выключатель системы аварийной сигнализации; 67 — переключатель указателей поворота; 68 — прерыватель указателей поворота; 69 — предохранители системы аварийной сигнализации и указателей поворота; 70 — центральный переключатель света; 71 — выключатель стоп-сигнала; 72 — ножной переключатель света.
ГАЗ — 24 — 10 / 12
Это руководство по предохранителям подходит для ГАЗ-24-10 и ГАЗ-24-12, производившихся с 1984 по 1992 год, с акцентом на блок фьюзов в панели ГАЗ-24.
Блок предохранителей расположен в панели на стороне пассажира, под защитной крышкой для удобства обслуживания.

Схема

Назначение
Левый блок
| 1 | 16А Прикуриватель, часы, звуковые сигналы, штепсельная розетка |
| 2 | 8А Плафон, подкапотная лампа, лампа освещения вещевого ящика, сигнализатор открытых дверей |
| 3 | 8А Резерв |
| 4 | 8А Резерв |
| 5 | 8А Комбинация приборов, реле электродвигателя отопителя, реле обогрева заднего стекла |
| 6 | 8А Система экономайзера принудительного холостого хода (ЭПХХ), освещение таксометра |
| 7 | 8А Ближний свет левой фары |
| 8 | 8А Ближний свет правой фары |
| 9 | 8А Дальний свет левой фары, сигнализатор дальнего света фар |
| 10 | 8А Дальний свет правой форы |
За прикуриватель отвечает предохранитель номер 1 на 16А в блоке ГАЗ-24-10/12.
Правый блок
| 1 | 16А Резерв |
| 2 | 6А Указатели поворота |
| 3 | 6А Аварийная сигнализация |
| 4 | 8А Плафон санитарного отделения, фара-искатель |
| 5 | 8А Правые габаритные огни, освещение багажника, лампы освещения приборов, подсветка прикуривателя |
| 6 | 8А Противотуманные фары, сигнализатор противотуманных фар, левые габаритные огни, освещение номерного знака, опознавательный фонарь такси |
| 7 | 8А Электродвигатель антенны, стеклоочиститель |
| 8 | 8А Стоп-сигналы |
| 9 | 16А Обогрев заднего стекла |
| 10 | 16А Электродвигатель отопителя, лампы света заднего хода |
Если на ГАЗ-24 установлена стереомагнитола, она подключается к клемме INT выключателя зажигания. Дополнительный предохранитель монтируется на проводе питания магнитолы. Реле блока ГАЗ-24 размещены под панелью со стороны водителя.




1-й (ПР-315) идет на поворотники, свет заднего хода, на печку, мотор стеклоомывателя и приборов.
2-й (ПР2Б) идет на основной свет, кроме поворотников и заднего хода.
3-й (ПР2Б) идет на сигналы, подкапотную лампу, розетку, часы, прикуриватель.
4-й (ПР-315) идет на двигатель антенны и приемник.